EasyManua.ls Logo

CEMB SM628TI - Page 56

CEMB SM628TI
184 pages
Print Icon
To Next Page IconTo Next Page
To Next Page IconTo Next Page
To Previous Page IconTo Previous Page
To Previous Page IconTo Previous Page
Loading...
56 User’s manual
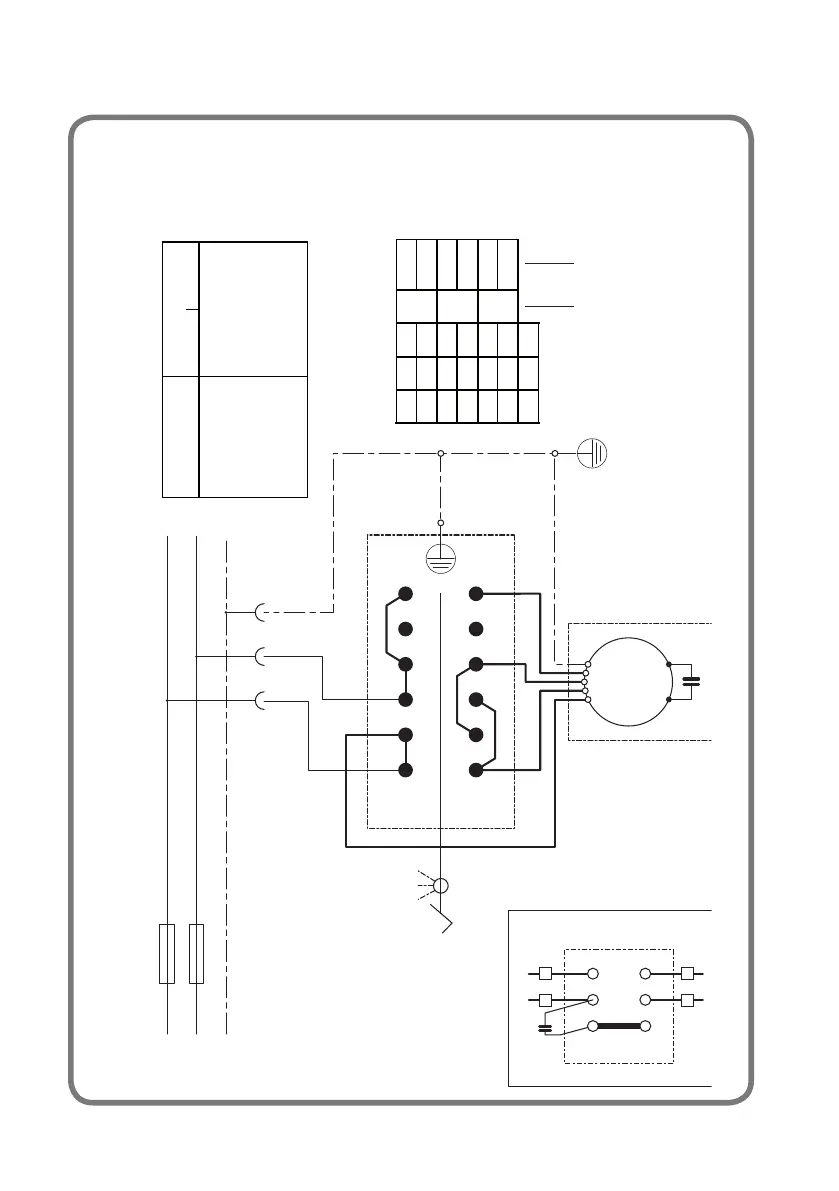
1
3 5
7
9 11
2
4
6
8
10 12
0
RL
1 Ph ~
C
L1
N
PE
XS1
SPINA E PRESA
Plug & Socket
INVERTITORE COMMUTATORE DI POLARITA
Reverse Polarity Switch
x 11-12
x 9-10
x 7-8
x 5-6
x 3-4
x 1-2
L 0 R
1
2
3
ELEMENTI - Elements
CONTATTI - Contacts
F
F
Power
Phase Neutral
230V / 1 / 50 Hz 250V, 16A 250V, 16A
240V / 1 / 50 Hz 250V, 16A 250V, 16A
220V / 1 / 60 Hz 250V, 16A 250V, 16A
115V / 1 / 60 Hz 250V, 20A 250V, 20A
F: Fuse
W2
U1
U2
V2
V1
W1
C
3
8
2
12
MORSETTIERA Junction Box
SEMI-AUTOMATIC TYRE CHANGER version
TYRE CHANGER - 1 SPEED VERSION
1 PHASE

Table of Contents

Related product manuals