EasyManua.ls Logo

CEMB SM628TI - Page 58

CEMB SM628TI
184 pages
Print Icon
To Next Page IconTo Next Page
To Next Page IconTo Next Page
To Previous Page IconTo Previous Page
To Previous Page IconTo Previous Page
Loading...
58 User’s manual
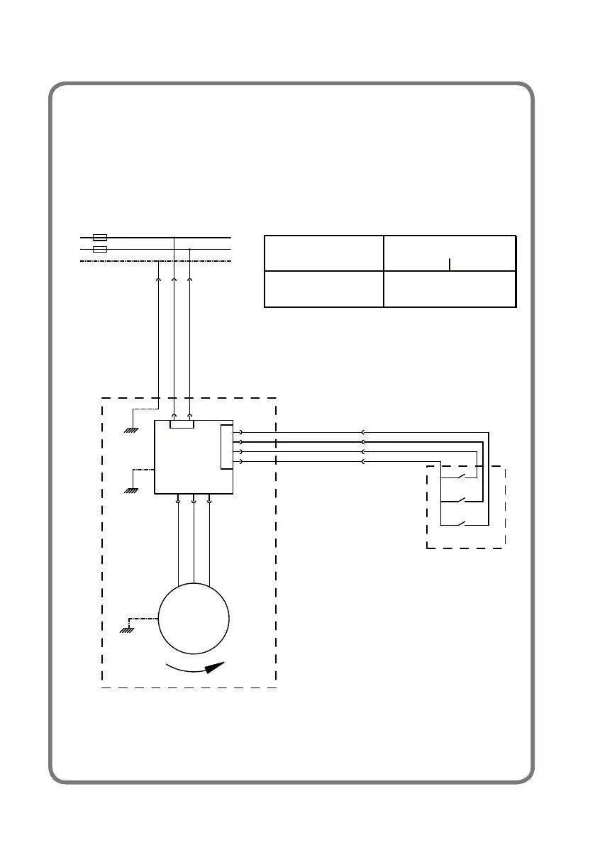
TYRE CHANGER - MOTOINVERTER VERSION
AP1
N
PE
L1
F
F
XS1
L1
N
SQ3
XB1
SQ1
SQ2
M1
R T S
1
2
3
4
U V W
MARRONE
NERO
AZZURRO
GRUPPO MOTORE
MOTOR UNIT
GRUPPO COMANDI
CONTROL SWITCH
Power
Phase Neutral
200-230V / 1 / 50-60 Hz 250V, 12A 250V, 12A
F: Fuse

Table of Contents

Related product manuals