EasyManua.ls Logo

CombiLift C3000CB - Hydraulic Drive Circuit

Default Icon
59 pages
Print Icon
To Next Page IconTo Next Page
To Next Page IconTo Next Page
To Previous Page IconTo Previous Page
To Previous Page IconTo Previous Page
Loading...
Combilift Ltd C2500-C3000CB O&S Manual
5-2
C2500CB-OM-EN-11
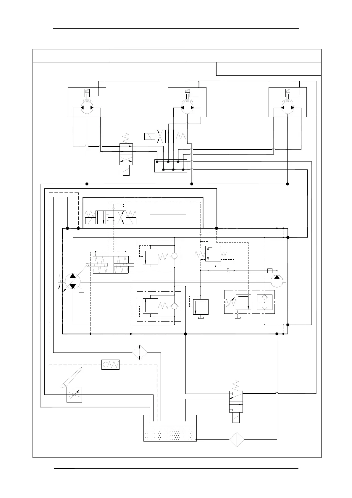
5.2 Hydraulic Drive Circuit
BRAKE
VALVE
INCHING PEDAL VALVE
REAR
WHEEL
MOTOR
FRONT
RIGHT
WHEEL
MOTOR
CHANGEOVER
VALVE
MANIFOLD BLOCK
10 MICRON NOMINAL
SUCTION FILTER
T1
OIL COOLER
NON RETURN VALVE
Title: Hydraulic Drive Circuit
Model: Combi CB
COMBILIFT LTD
Revision Date:06/10/09
FWD.
REV.
B
Ps
350 BAR
TRANSMISSION PUMP
S
G
18 BAR
A
T2
350 BAR

Table of Contents

Related product manuals