EasyManua.ls Logo

CombiLift C3000CB - Standard GM LPG PLC Electric Circuit

Default Icon
59 pages
Print Icon
To Next Page IconTo Next Page
To Next Page IconTo Next Page
To Previous Page IconTo Previous Page
To Previous Page IconTo Previous Page
Loading...
Combilift Ltd C2500-C3000CB O&S Manual
5-7
C2500CB-OM-EN-11
MAST
B+ D++ve
30
STARTER SOLENOID
STARTER MOTOR
NEG
M
ALTERNATOR
BATTERY
K
-ve
G
TEMPERATURE GUAGE
LOW FUEL GUAGE
SPOTLIGHTS
DASH PANEL
OIL GUAGE
P
O/R
HEIGHT
CAB HEATER
m
87
87A
85
87A
87
30
85
86
IGNITION
SWITCH
30
50A
54
58
CHARGE
H
+
R
FUEL
S
OIL
+
T
1
0
30
86
1
2
3
2
0
58
54
7.5
F1
15
F7
7.5
F6
7.5
F9
20
F8
58
54
R
R
R
R
R
R
R
R
V
SPARE SPOTLIGHT
BN
BN
R
R
R
R
OV
GR
BN
BN
BN
GY
TO F2
EXC
R
F3
7.5
P
GAS IGNITION COIL
CAB FAN
R
YV
HORN
V
7.5
P
F10
WIPER
m
R
FLASHING BEACON
ZD1
R/Y
F13
7.5
F11
7.5
R
FORK POSNR SOLENIOD
FORK POSNR SOLENIOD
INDEPENDENT
INDEPENDENT
GR Y
R
R
R
RELAY 22
RELAY 1
NEUTRAL
Model: CB
COMBILIFT LTD
Drawn By : David Murray
Title: GM LPG Electric Circuit (PLC)
Section: 1 of 2
O
ANTI-BACKFIRE
Fuse
80A
Maxi
INLINE
10A
WIPER
SWITCH
Revision Date:19/12/14
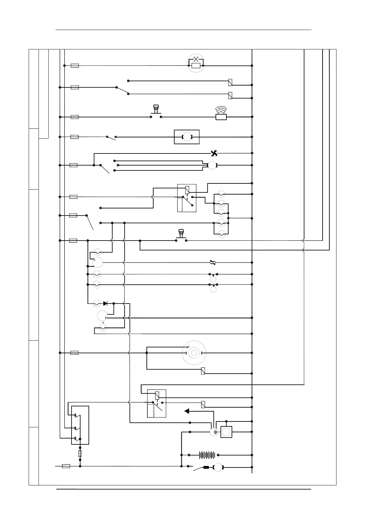
5.8 Standard GM LPG PLC Electric Circuit:

Table of Contents

Related product manuals