EasyManua.ls Logo

CombiLift C3000CB - Standard Kubota Diesel PLC Electric Circuit

Default Icon
59 pages
Print Icon
To Next Page IconTo Next Page
To Next Page IconTo Next Page
To Previous Page IconTo Previous Page
To Previous Page IconTo Previous Page
Loading...
Combilift Ltd C2500-C3000CB O&S Manual
5-9
C2500CB-OM-EN-11
PULL
7
50
85
HOLD
2
30
R
STRIP FUSE ON
GLOW PLUGS
50A
TIMER BASE.
R
P
F
87T
R
8
4
L86
2
3
R
RELAY
VO
R
R
P
R
Disconnected
(White Wire)
50A
58
R
GLOW
F3
10
+
BN
CHARGE
H
R
R
FUEL
R
OIL
58
85
R
O/R
HEIGHT
87A
BN
V
GR
MAST
BN
RELAY 22
86
30
87
R
R
m
Y
R
V
V
m
F7
20
+
S
T
0
R
1
F1
7.5
R
R
2
F8
20
0
3
1
2
O
P
R
BN
F9
7.5
O
58
F6
7.5
F10
7.5
Title: Kubota Diesel Electric Circuit (PLC)
54
54
Section: 1 of 2
54
F5
O
WIPER
SWITCH
INLINE
10A
SWITCH
IGNITION
D+
Model: CB
ALTERNATOR
STARTER MOTOR
NEG
BATTERY
Fuse
M
G
-ve
K
30
BN
+ve B+
80 Amp
Maxi
GY
BN
30
COMBILIFT LTD
PULL/HOLD SOLENOID
FUEL PUMP
STARTER SOLENOID
DASH PANEL
LOW FUEL GUAGE
GLOW
OIL GUAGE
SPARE SPOTLIGHT
SPOTLIGHTS
TEMPERATURE GUAGE
CABIN INTERIOR LIGHT
CAB HEATER
R
CAB FAN
WIPER
HORN
R
R
R
O
7.5
Drawn By : David Murray
Revision Date:19/12/14
PRKNG
BRAKE
6
GLOW PLUG TIMER RELAY
M
R
RELAY 1
NEUTRAL
87A
85
30
87
86
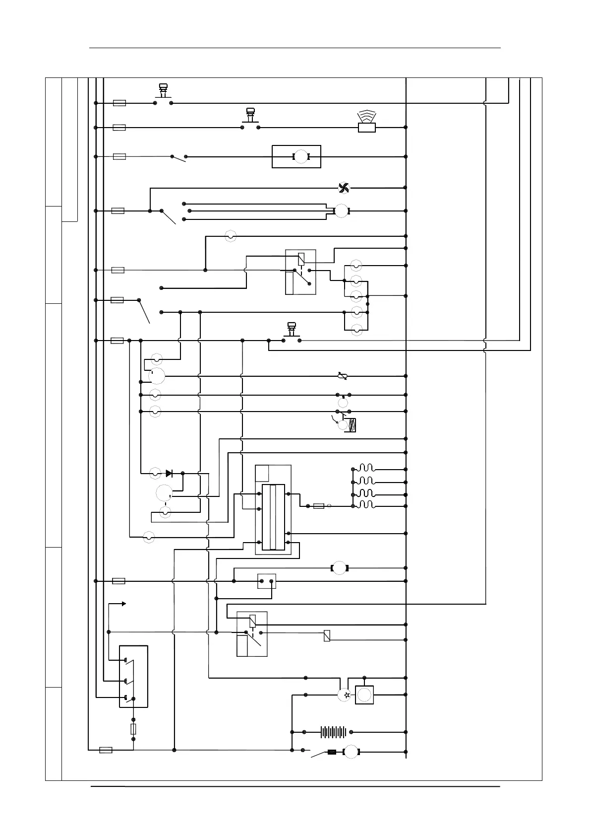
5.9 Standard Kubota Diesel PLC Electric Circuit:

Table of Contents

Related product manuals