EasyManua.ls Logo

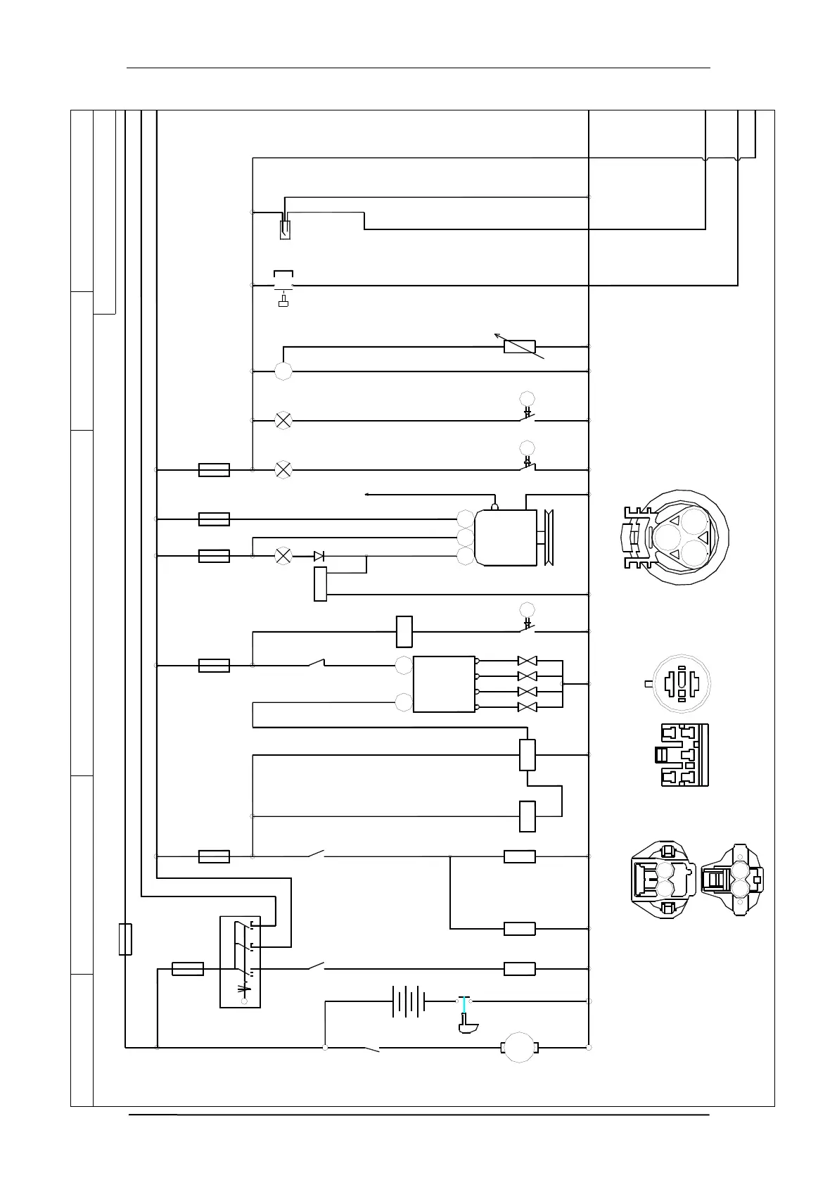
CombiLift C3000CB - Standard Toyota 4 Y LPG PLC Electric Circuit

Default Icon
59 pages
Print Icon
To Next Page IconTo Next Page
To Next Page IconTo Next Page
To Previous Page IconTo Previous Page
To Previous Page IconTo Previous Page
Loading...
Combilift Ltd C2500-C3000CB O&S Manual
5-11
C2500CB-OM-EN-11
ISOLATOR
B-
B+
B-
STARTER B+
MF1
80A
0.I.II.
30
50 54 58
KEYSWITCH
F1
7.5A
B-
m
STARTER
MOTOR
STARTER
SOLENOID
SWITCH
12v
d.c.
B-
SOLENOID
STARTER
R1
30
87
Hr. METER
1234567
B-
GRY
LIGHT
CHARGE
F2
7.5A
21
3
ALTERNATOR
B-
REGULATOR
LPG
B-
SOLENOID
(MAIN)
(SLOW)
LPG
86
85
RELAY
LPG
LPG
30
87
WHT/BLK
LPG
4
2
SWITCH
ENGINE
5
F1
7.5A
1
GRY
21
SPARK PLUGS
TAC B
B-
C/O
30
87a
F3
10A
DISTRIBUTOR
ASSEMBLY
C/O
86
85
B-
T
G/Y
CUT OFF
ENGINE
RELAY
B-
B
BATTERY
TO
LIGHT
OIL
F1
7.5A
P
B-
PRESSURE
OIL
SWITCH
P
B-
PRESSURE
LOW FUEL
SWITCH
LOW
FUEL
LIGHT
B-
SENDER
TEMPERATURE
T
TEMP
GUAGE
+
-
S
B-
MAST
HEIGHT
PROXIMITY
B-
MAST
HEIGHT
O/R P/B
FIT LINK
IF NO MAST
HEIGHT PROX
REQUIRED
1
2
DISTRIBUTOR
ASSEMBLY
PLUG J
1
4
5
32
ENGINE
SWITCH
PLUG F
PLUG
H
PLUG
G
PLUG G
PLUG H
21
12
1
2
3
PLUG F
ALTERNATOR
ASSEMBLY
PLUG B
PLUG J
PLUG B
B-
R
R
RGR
BL BL BL BK
GR
RR
V
VR
R
GR
BL
GY R
R
BN
VO
BL
GN
R
BL
Y
Model: CB
COMBILIFT LTD
Drawn By : David Murray
Revision Date:17/12/14
Title: Toyota 4Y LPG Electric Circuit (PLC)
Section: 1 of 3
Y
58
54
58
54
58
54
INLINE
10A
5.10 Standard Toyota 4Y LPG PLC Electric Circuit:

Table of Contents

Related product manuals