EasyManua.ls Logo

CombiLift C3000CB - Page 48

Default Icon
59 pages
Print Icon
To Next Page IconTo Next Page
To Next Page IconTo Next Page
To Previous Page IconTo Previous Page
To Previous Page IconTo Previous Page
Loading...
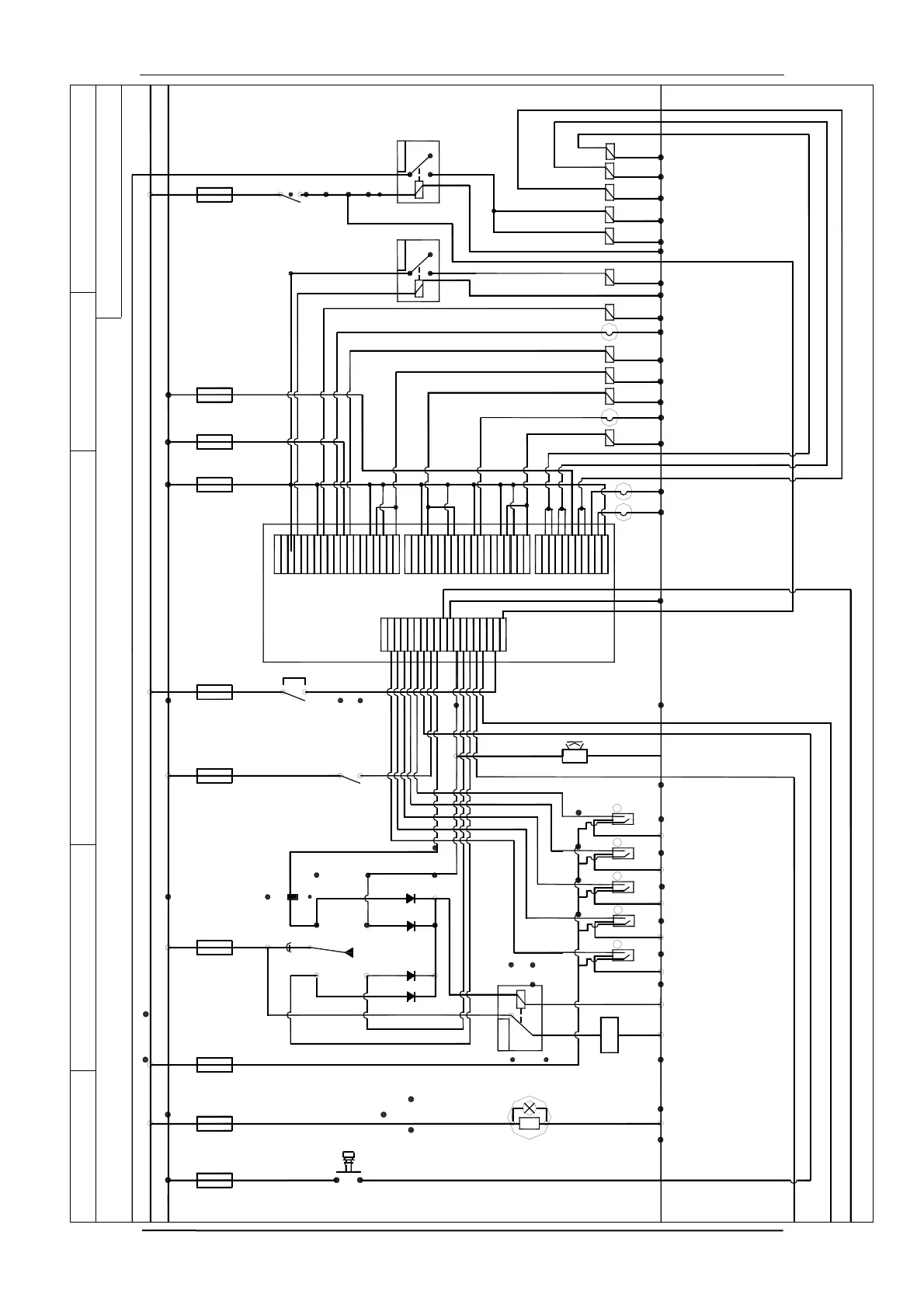
Combilift Ltd C2500-C3000CB O&S Manual
5-12
C2500CB-OM-EN-11
O
O
O
PRKNG
BRAKE
O
2
FLASHING BEACON
CAROUSEL PROXIMITY SWITCH
FRONT WHEEL AT 90° PROX
REAR WHEEL AT 90° PROX
FRONT WHEEL TO 0° PROX
REAR WHEEL TO 0° PROX
O
BL
BL
BL
BL
BL
REVERSE BLEEPER
0° SOLENIOD
90° SOLENIOD
DB SOLENOID
90° INDICATOR LAMP
0° INDICATOR LAMP
CAROUSEL INDICATOR LAMP
30
ZD1
R
87A
87
85
RELAY 15
R
86
BN
BN
1
BN
BK
BNBN
43
R
5
BK
BK
BK
Y
GR
BK
GY
R/Y
BN
GR
R
58
L
Rev
BN
Forward
R
PIN 1
PIN 5
BN
PLUG X3.1
PIN 7
PIN 9
PIN 10
PIN 8
PIN 6
PIN 11
PIN 12
PIN 13
PIN 14
PIN 16
PIN 18
PIN 17
PIN 15
GR
Y
R
O
W
O
GY
BN
R
PIN 17
R
R
R
W
PIN 6
PIN 8
PIN 7
PIN 10
PIN 9
PIN 5
GR
BN
BN
BN
PIN 18
PIN 2
PIN 1
PIN 4
PIN 3
W
W
GY
W
PIN 9
PIN 10
PIN 13
PIN 12
PIN 15
PIN 14
PIN 11
PIN 16
R
BN
BN
GY
BN
GR
GR
PIN 3
PIN 4
PIN 5
PIN 6
PIN 2
PIN 8
PIN 7
BN
R
GR
PLUG X5.2
PLUG X5.1
PLUG X4
PIN 1
PIN 2
PIN 3
PIN 4
BK
BK
BK
BK
BK
GY
58
BN
PIN 13
BN
GY
PIN 14
PIN 15
PIN 16
PIN 17
PIN 18
BN
PIN 6
PIN 8
PIN 7
PIN 10
PIN 12
PIN 11
PIN 9
O
R
O
O
GY
PIN 1
PIN 4
PIN 3
PIN 2
PIN 5
BN
BN
BN
R
O
58
54 54 54
REVERSE SOLENOID
FORWARD SOLENOID
BRAKE LIGHT
DRIVE SOLENOID
BRAKE SOLENOID
6 PORT STEERING SOLENOID
REFLEX STEERING SOLENOID
87A
RELAY 9
R
30
86
85
87
BN
BN
87A
RELAY LV
30
86
85
87
SEAT
SWITCH
LOCK VALVE SOLENOID
LOCK VALVE SOLENOID
GY
GY
GY
Y
PLC
BOARD
R
R
R1
86
85
BK
F5
7.5A
F13
7.5A
F12
7.5A
F2
7.5A
F5
7.5A
F4
20A
F5
7.5A
F2
7.5A
BL
BL BL
BL
BLBL
BLBLBL
BLBLBLBLBL
BL
Model: CB
COMBILIFT LTD
Drawn By : David Murray
Revision Date:17/12/14
Title: Toyota 4Y LPG Electric Circuit (PLC)
Section: 2 of 3
Y
B- B-
F12
7.5A
BN
PRKNG
BRAKE
FOOT SW
SEATBELT
SWITCH
(If Fitted)
F12
7.5A

Table of Contents

Related product manuals