EasyManua.ls Logo

CombiLift C3000CB - Tier IV GM LPG PLC Electric Circuit

Default Icon
59 pages
Print Icon
To Next Page IconTo Next Page
To Next Page IconTo Next Page
To Previous Page IconTo Previous Page
To Previous Page IconTo Previous Page
Loading...
Combilift Ltd C2500-C3000CB O&S Manual
5-14
C2500CB-OM-EN-11
MAST
+ve
30
STARTER MOTOR
NEG
M
BATTERY
-ve
SPOTLIGHTS
O/R
HEIGHT
CAB HEATER
WIPER
m
87
87A
85
m
87A
87
30
R 1
85
86
IGNITION
SWITCH
30
50A
54
58
1
0
30
R 22
86
1
2
3
2
0
58
54
7.5
F1
15
F7
7.5
F6
7.5
F9
15
F8
7.5
F5
58
54
O
O
R
R
R
R
R
R
R
V
SPARE SPOTLIGHT
BN
BN
R
R
R
BN
BN
BN
CAB FAN
R
YV
ISOLATER
KEY SWITCH
O
HORN
V
7.5
P
F10
R
R
R
O
R
BA
BN
YGW
RBK
654321
SRJKMLEGC
F
FOOT PEDAL
CURTIS
VEHICLE INTERFACE CONNECTOR
R
RR
GY G B
V
LOW FUEL GUAGE
P
FUEL
+
R
H
O
OIL LIGHT
METER
HOUR
G/Y
CHARGE
GY
R
+
S
G
T
V
TEMP
LIGHT
MIL
B
LIGHT
R
BN
Model: CB
COMBILIFT LTD
Drawn By : David Murray
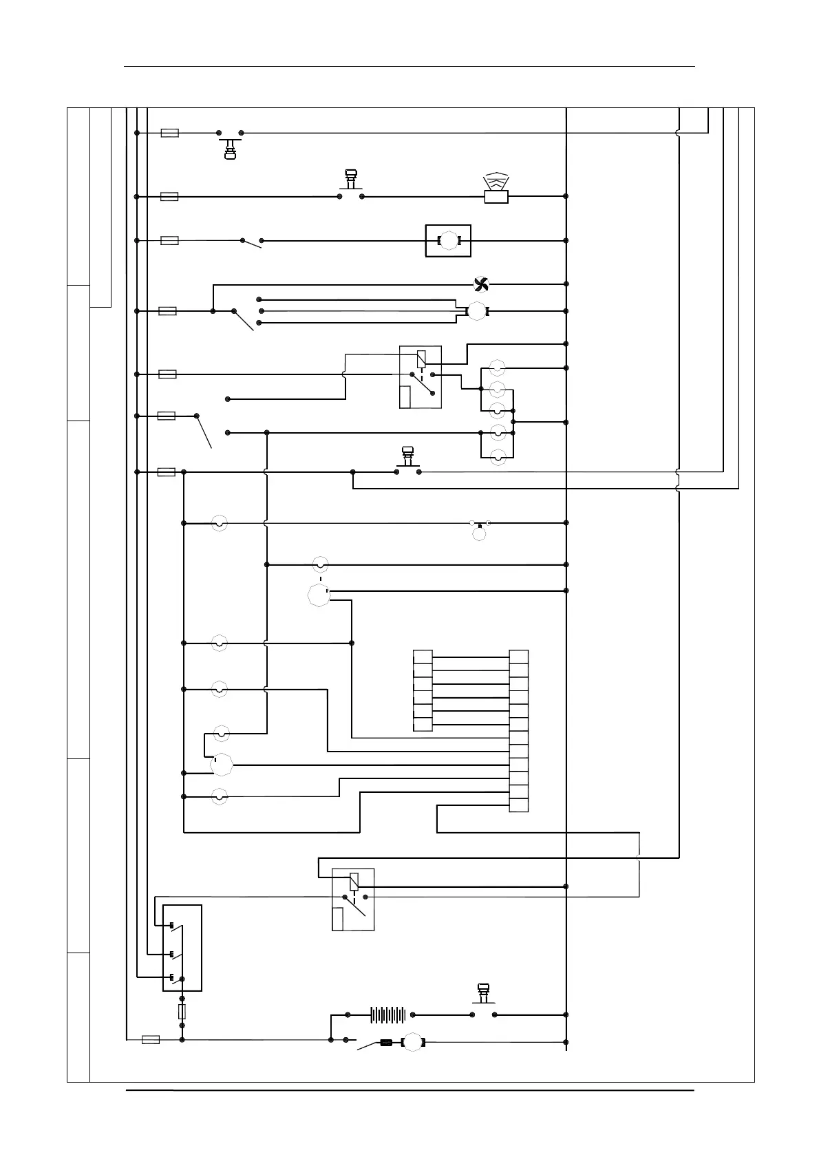
Title: GM LPG Tier IV Electric Circuit (PLC)
Section: 1 of 2
INLINE
10A
Fuse
80A
Maxi
WIPER
SWITCH
Revision Date:19/12/14
5.11 Tier IV GM LPG PLC Electric Circuit:

Table of Contents

Related product manuals