EasyManua.ls Logo

CombiLift C3000CB - Page 49

Default Icon
59 pages
Print Icon
To Next Page IconTo Next Page
To Next Page IconTo Next Page
To Previous Page IconTo Previous Page
To Previous Page IconTo Previous Page
Loading...
Combilift Ltd C2500-C3000CB O&S Manual
5-13
C2500CB-OM-EN-11
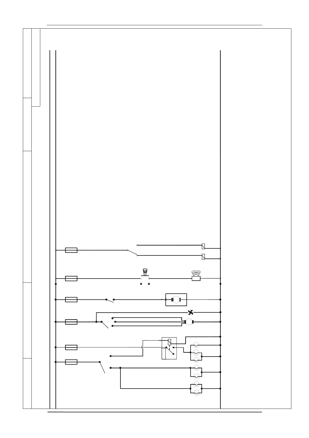
SPOTLIGHTS
CAB HEATER
m
87
87A
85
1
0
30
86
1
2
3
2
0
54
R
R
V
SPARE SPOTLIGHT
BN
BN
R
R
R
CAB FAN
R
YV
HORN
V
P
WIPER
R
R
FORK POSNR SOLENIOD
FORK POSNR SOLENIOD
INDEPENDENT
INDEPENDENT
GR Y
RELAY 22
O
SIDE
SPOTLIGHTS
FRONT
LIGHTS
DASH CLUSTER
F7
15A
F8
20A
F9
7.5A
F6
7.5A
F10
7.5A
F11
7.5A
BL BL BL BL
BL BL
BL
BL
BL
BL BL
Drawn By : David Murray
Revision Date:17/12/14
Section: 3 of 3
58
54
58
54
Model: CB
COMBILIFT LTD Title: Toyota 4Y LPG Electric Circuit (PLC)
B-B-
m
WIPER
SWITCH

Table of Contents

Related product manuals