EasyManua.ls Logo

ConMed ExcaliburPLUS PC - Page 87

ConMed ExcaliburPLUS PC
98 pages
Print Icon
To Next Page IconTo Next Page
To Next Page IconTo Next Page
To Previous Page IconTo Previous Page
To Previous Page IconTo Previous Page
Loading...
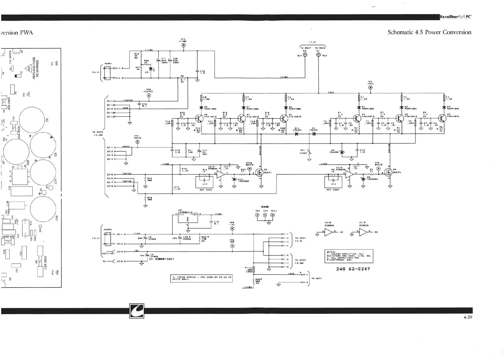
version
PWA
Excalibyr?iUs
PC"
Schematic
4.5
Power
Conversion
DUG
62-5247
4-29

Related product manuals