EasyManua.ls Logo

ConMed ExcaliburPLUS PC - Page 89

ConMed ExcaliburPLUS PC
98 pages
Print Icon
To Next Page IconTo Next Page
To Next Page IconTo Next Page
To Previous Page IconTo Previous Page
To Previous Page IconTo Previous Page
Loading...
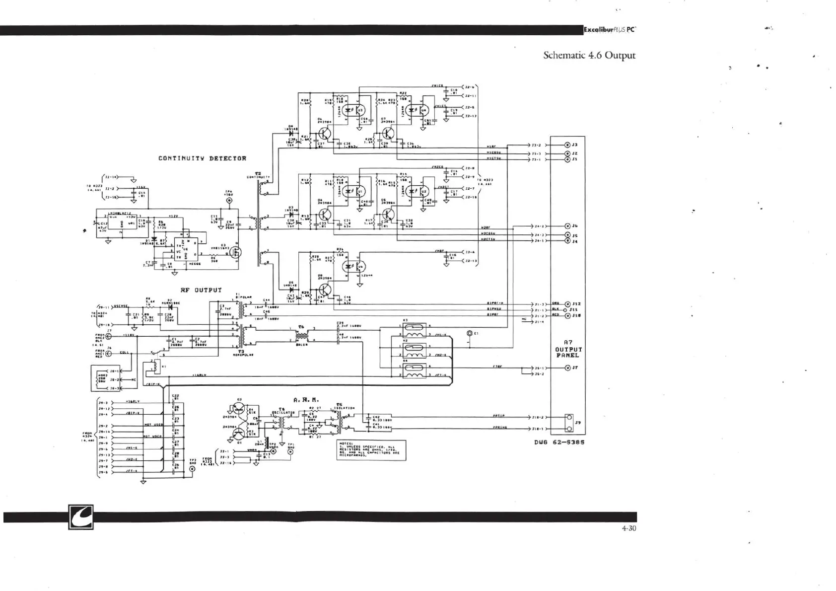
Schematic
4.6
Output
CONTINUITY
DETECTOR
na
Qu
na
om
nes
Qu
A?
OUTPUT
PANEL
sea
©
Tia
LL
DUG
62-5385

Related product manuals