EasyManua.ls Logo

ConMed ExcaliburPLUS PC - Page 91

ConMed ExcaliburPLUS PC
98 pages
Print Icon
To Next Page IconTo Next Page
To Next Page IconTo Next Page
To Previous Page IconTo Previous Page
To Previous Page IconTo Previous Page
Loading...
SERIES
STRAPPING
PARALLEL
STRAPPING
E
STRAPPING
A9CBI
PARALLEL
10A
SERIES
SA
A6W1
E
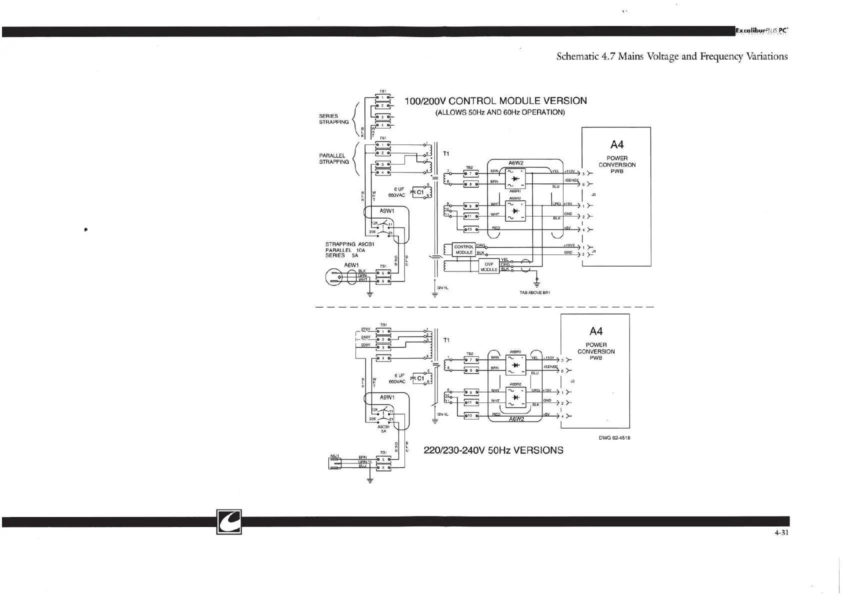
Schematic
4.7
Mains
Voltage
and
Freguency
Variations
100/200V
CONTROL
MODULE
VERSION
(ALLOWS
50Hz
AND
60Hz
OPERATION)
‘CONTROL
MODULE
ove
MODULE
POWER
CONVERSION
5>
PWB
o>
>
>
>
Ke
2x
10
tam
ABOVE
BR!
POWER
CONVERSION
a>
РАВ
>
>
a>
1
«>
LS
DWG
624518

Related product manuals