EasyManua.ls Logo

Converteam MVS3007 - PROFIBUS Cable; PROFIBUS Earthing

Default Icon
114 pages
Print Icon
To Next Page IconTo Next Page
To Next Page IconTo Next Page
To Previous Page IconTo Previous Page
To Previous Page IconTo Previous Page
Loading...
3. Installation ALSPA PROFIBUS Field Bus Coupler
Page 3-16 Technical Manual (09/06)
Pin 8 = DATA–
3.7.4 PROFIBUS Cable
Twisted pair shielded cable equivalent to Belden 8227 is
recommended.
- Two core cable, screened and twisted.
- Resistance 100 to 120 ohm at f > 100 kHz.
- Capacitance < 60 pF per meter.
- Minimum cross section of 0.22 mm
2
(24 AWG).
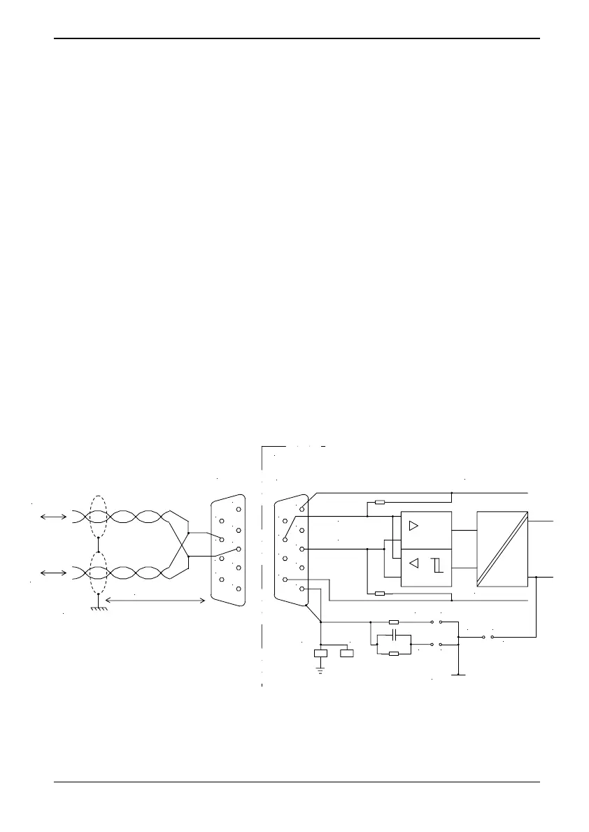
3.7.5 PROFIBUS Earthing
To ensure an EMC compliant installation, the network cable screens
must be continuous.
On the PROFIBUS board, the protective earth (PE) is connected
through the flat connector PE2 to the cable shield. The MV3000e
enclosure must be connected to PE with the largest practicable
cable cross-section.
Figure 3-12 Protective earth arrangement
Socket
PROFIBUS board
RXD/TXD
1
6
2
3
7
8
4
9
Plug
5
PE2PE1
LS3
6
1
LS2LS1
0V electronics
LS4
DC 5 V isolated
DC 0V isolated
5
DC+5V ISO
DC 0V ISO
8
7
2
3
4
9
DC 0V isolated
TXD/RXD
LS5
LS6
Drive Mounting Plate
50 cm or less

Table of Contents

Related product manuals