EasyManua.ls Logo

Cornelius CCM0330 - CCM0330;CCM0430 Air and Water Wiring Schematic

Cornelius CCM0330
129 pages
Print Icon
To Next Page IconTo Next Page
To Next Page IconTo Next Page
To Previous Page IconTo Previous Page
To Previous Page IconTo Previous Page
Loading...
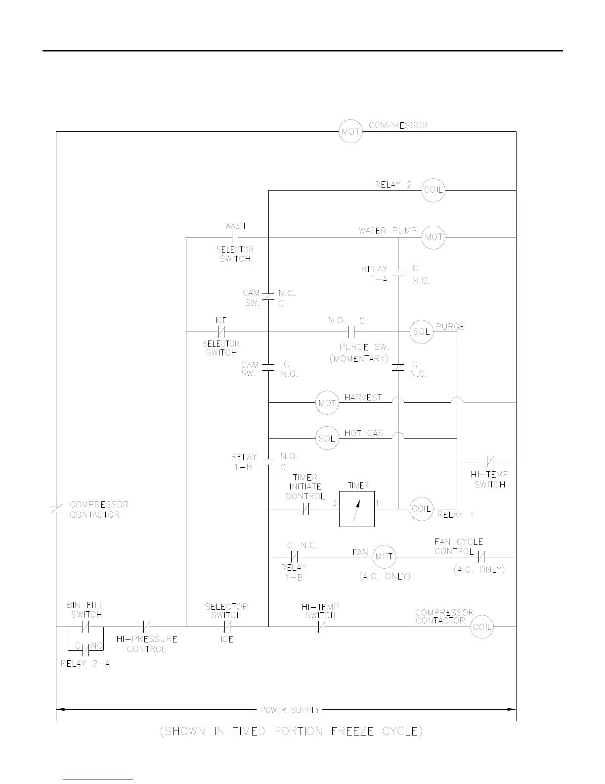
Wiring Diagram
Page G30
CCM0330/CCM0430 Air and Water Wiring Schematic CCM0330/CCM0430 Air and Water Wiring Schematic
Includes 230/60/1 and 50 Cycle Includes 230/60/1 and 50 Cycle

Table of Contents

Related product manuals