EasyManua.ls Logo

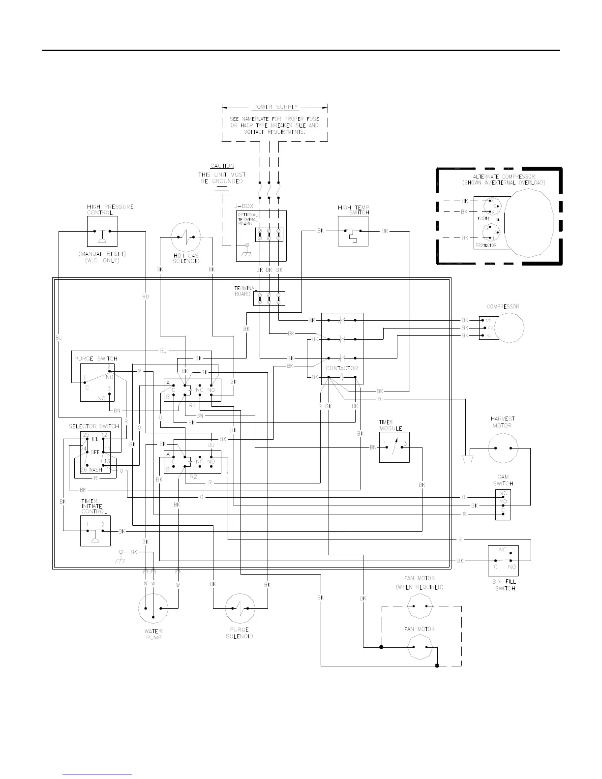
Cornelius CCM0330 - CCM1030, 3 Phase, Air and Water Wiring Diagram

Cornelius CCM0330
129 pages
Print Icon
To Next Page IconTo Next Page
To Next Page IconTo Next Page
To Previous Page IconTo Previous Page
To Previous Page IconTo Previous Page
Loading...
Wiring Diagram
Page G7
CCM1030, 3 Phase, Air and Water Wiring Diagram

Table of Contents

Related product manuals