EasyManua.ls Logo

Cornelius CCM0330 - CCM0830;CCM1030 Remote Wiring Diagram

Cornelius CCM0330
129 pages
Print Icon
To Next Page IconTo Next Page
To Next Page IconTo Next Page
To Previous Page IconTo Previous Page
To Previous Page IconTo Previous Page
Loading...
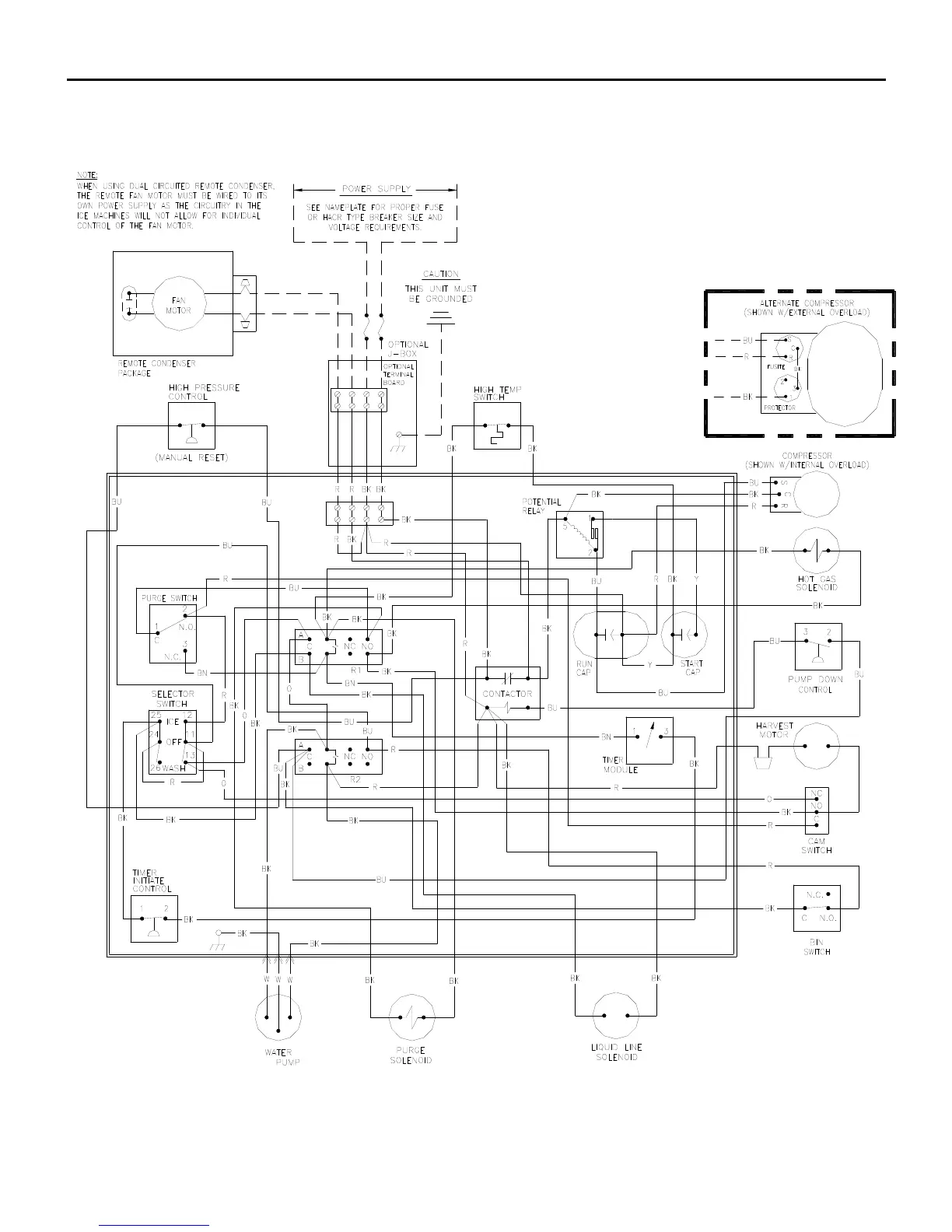
Wiring Diagram
Page G5
CCM0830/CCM1030 Remote Wiring Diagram
Includes 50 Cycle

Table of Contents

Related product manuals