EasyManua.ls Logo

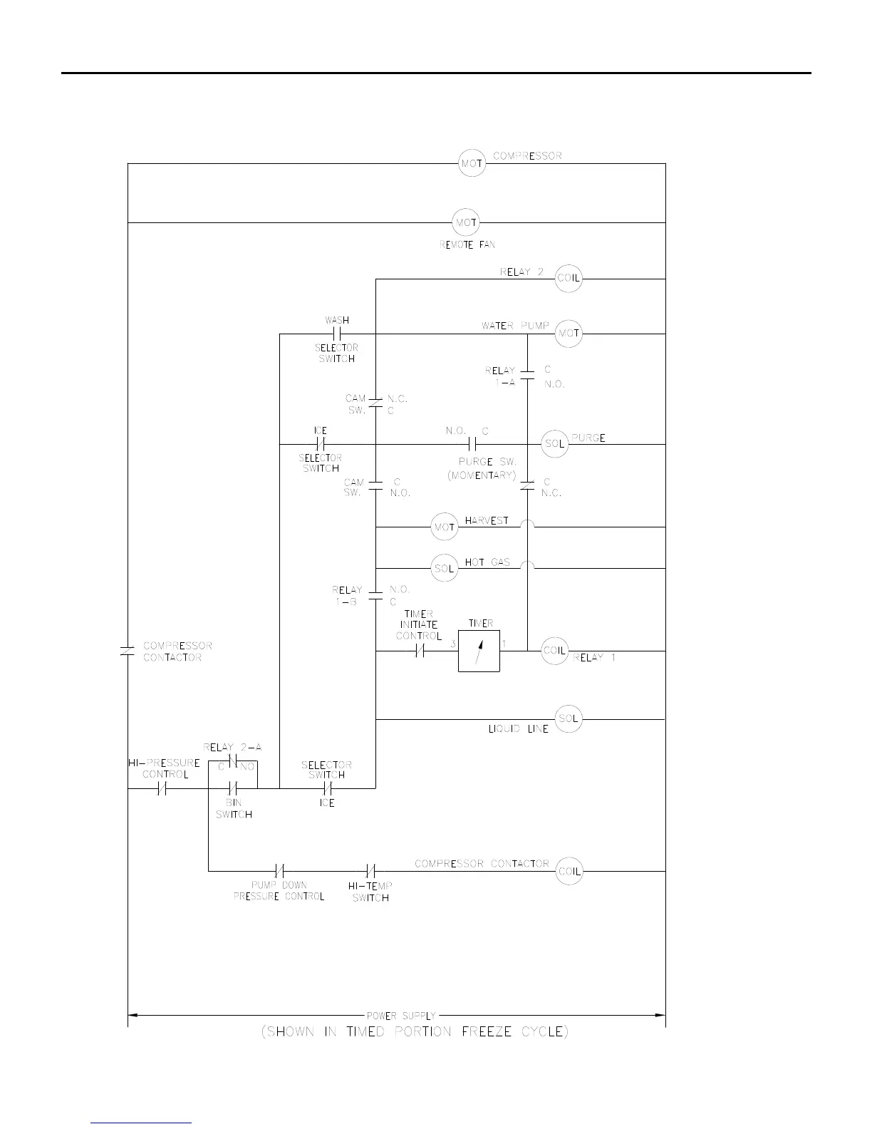
Cornelius CCM0330 - CCM0630 Remote Wiring Schematic

Cornelius CCM0330
129 pages
Print Icon
To Next Page IconTo Next Page
To Next Page IconTo Next Page
To Previous Page IconTo Previous Page
To Previous Page IconTo Previous Page
Loading...
Wiring Diagram
Page G40
CCM0630 Remote Wiring Schematic
Includes 50 Cycle

Table of Contents

Related product manuals