EasyManua.ls Logo

Danfoss TT400 Series - Figure 16-2 - Service Side View All Models; Figure 16-3 - Discharge Side View

Danfoss TT400 Series
108 pages
Print Icon
To Next Page IconTo Next Page
To Next Page IconTo Next Page
To Previous Page IconTo Previous Page
To Previous Page IconTo Previous Page
Loading...
Page 76 of 108
M-AP-001-EN Rev. N
M-AP-001-EN Rev. N
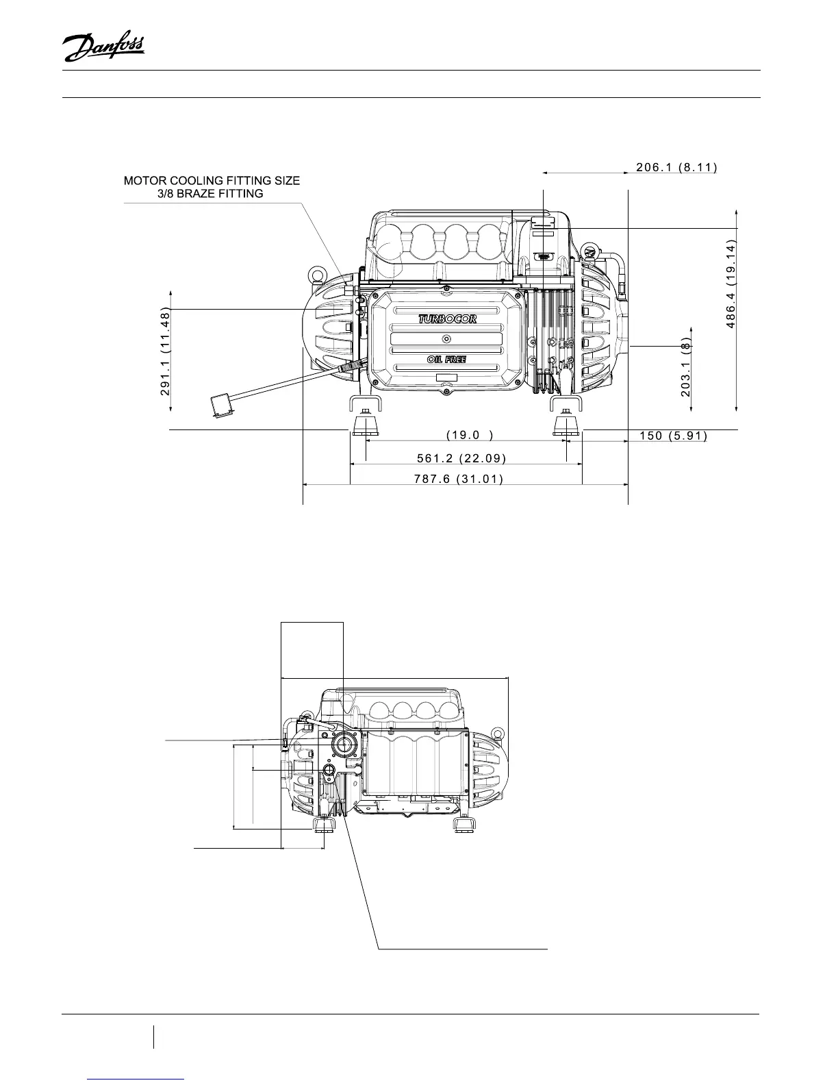
Physical Data
Figure 16-2 - Service Side View All Models
484.3 7
Figure 16-3 - Discharge Side View
Discharge Port 229.7 (9.04”) (TT300)
220.2 (8.67”) (TT350, TT400, TT500)
O-RING GROOVE
OD: 88.9 (3.499)
WIDTH: 4.1 (0.1614)
ID: 80.7 (3.177)
O-RING GROOVE
OD: 33.3 (1.311) (TT300 & TG230)
41.3 (1.659) (TT350, TT400, TT500, TT700,
WIDTH: 4.1 (0.1614)
ID: 25.1 (0.988) (TT300 & TG230)
33.1 (1.30) (TT350, TT400, TT500, TT700,
TG310, TG390, TG520)
150 (5.91)
(TT350, TT400, TT500, TG310)
174.0 (6.57 (TT300)
)34.11( 4.092
)34.3( 3.78
787.6 (31.00)
TG310, TG390, TG520)

Table of Contents

Related product manuals