EasyManua.ls Logo

Danfoss TT400 Series - Circuit Grounding; Figure 20-7 - Interlock and Motor Speed Connections

Danfoss TT400 Series
108 pages
Print Icon
To Next Page IconTo Next Page
To Next Page IconTo Next Page
To Previous Page IconTo Previous Page
To Previous Page IconTo Previous Page
Loading...
Page 98 of 108
M-AP-001-EN Rev. N
M-AP-001-EN Rev. N
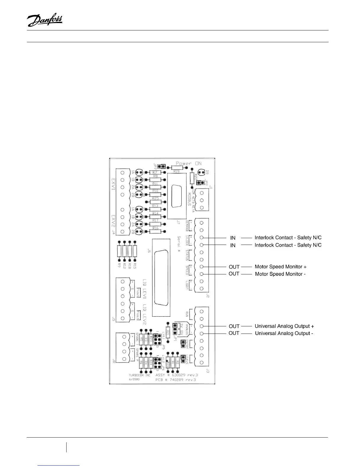
Installation
20.6.2 Circuit Grounding Improper grounding or voltage in circuits connected to the compressor I/O board can lead
to component failures. In particular, the interlock and analog output circuits are sensitive to
improperly connected external circuits (see Figure 20-7).
Prior to connecting the control wiring to the compressor I/O board, check for improper
grounding. Improper grounding can be identied by measuring the voltage between the
customer’s negative terminals and the ground (J1 COM or Modbus shield) terminal on the
compressor I/O board (see Figure 20-7). If the measured voltage is not zero, determine
the source of the voltage. The most likely cause of voltage is insucient insulation of the
external circuit. In case of uncertainty of the grounding, connect the negative terminals of
the external circuit to a ground and then connect the external ground to the ground on the
compressor I/O board.
Figure 20-7 - Interlock and
Motor Speed Connections

Table of Contents

Related product manuals