EasyManua.ls Logo

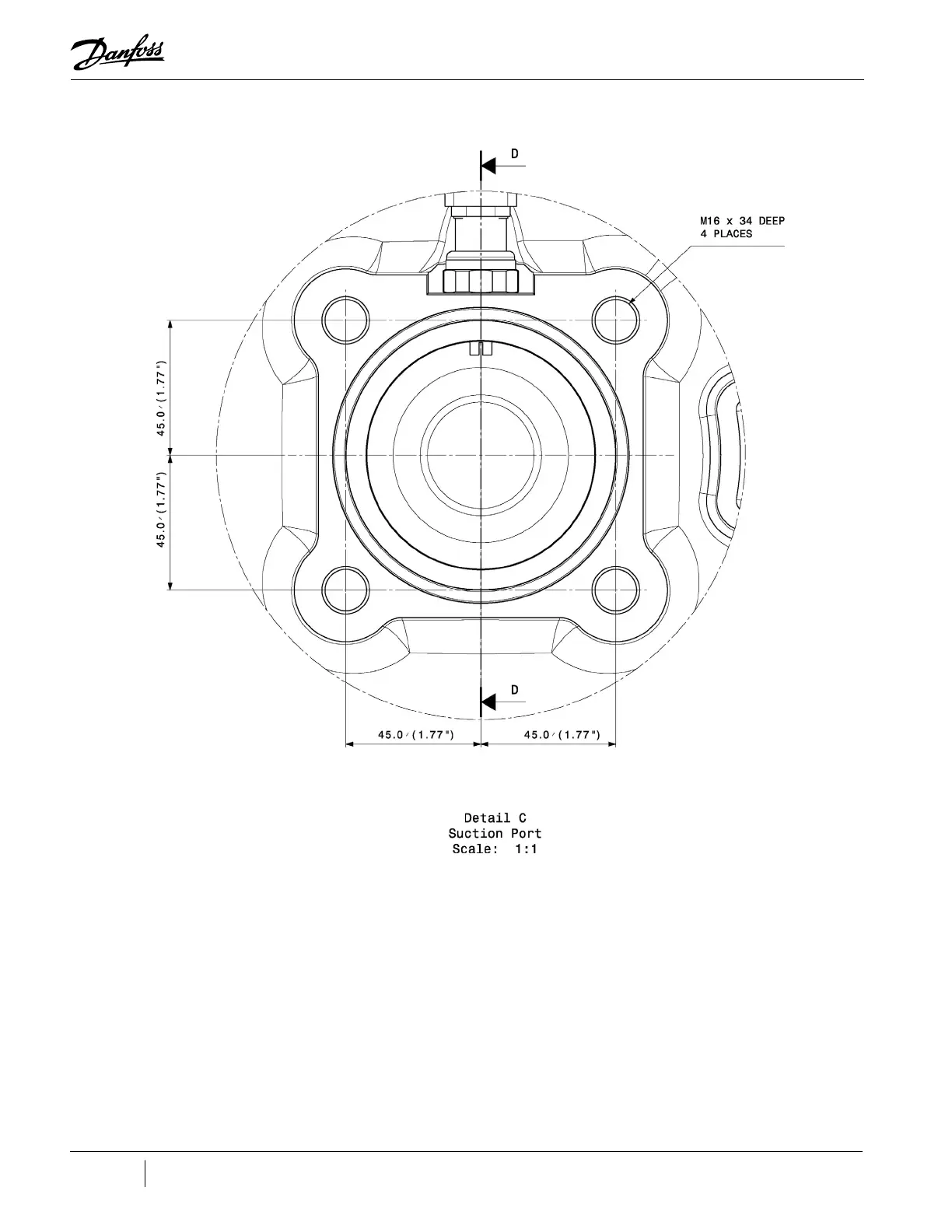
Danfoss TTS400 - Figure 16-17 Suction Port (All Models)

Danfoss TTS400
114 pages
Print Icon
To Next Page IconTo Next Page
To Next Page IconTo Next Page
To Previous Page IconTo Previous Page
To Previous Page IconTo Previous Page
Loading...
88 of 114
M-AP-001-EN Rev. Q
Figure 16-17 Suction Port (All Models)

Table of Contents

Other manuals for Danfoss TTS400

Related product manuals