EasyManua.ls Logo

Delta Electronics AC Servo Drive ASDA-AB - Page 54

Delta Electronics AC Servo Drive ASDA-AB
357 pages
Print Icon
To Next Page IconTo Next Page
To Next Page IconTo Next Page
To Previous Page IconTo Previous Page
To Previous Page IconTo Previous Page
Loading...
Chapter 3 Connections and Wiring|ASDA-AB Series
Revision January 2009 3-29
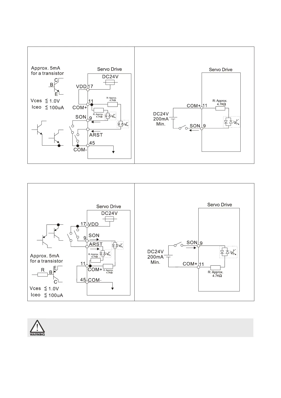
Use a relay or open-collector transistor to input signal.
NPN transistor with multiple emitter fingers (SINK Mode)
C9: Wiring of DI signal, for the use of internal
power supply
C10: Wiring of DI signal, for the use of external power
supply
PNP transistor with multiple emitter fingers (SOURCE Mode)
C11: Wiring of DI signal, for the use of internal
power supply
C12: Wiring of DI signal, for the use of external power
supply
¾ Caution: Do not use dual power supply. Failure to observe this caution may result in damage to the servo drive
and servo motor.

Table of Contents

Related product manuals