EasyManua.ls Logo

Denon AVR-X5200W - Page 59

Denon AVR-X5200W
219 pages
Print Icon
To Next Page IconTo Next Page
To Next Page IconTo Next Page
To Previous Page IconTo Previous Page
To Previous Page IconTo Previous Page
Loading...
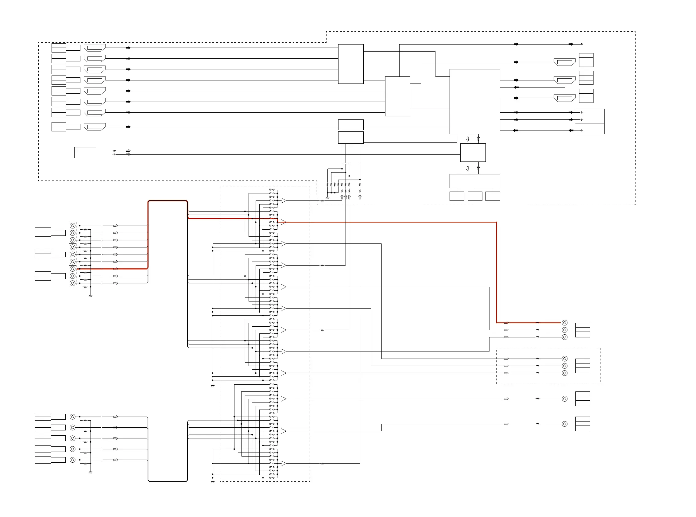
AVR-X5200 BLOCK DIAGRAM (VIDEO)
DVD_Y
DVD_Cb
DVD_Cr
SAT_Cr
SAT_Cb
SAT_Y
DVD_Cb
SAT_Cb
DVD_Cr
SAT_Cr
BD_Cb
BD_Cb
BD_Y
BD_Cr
VAUX_V
GAME_V
DVD_V
SAT_V
BD_Y
DVD_Y
SAT_Y
BD_Cr
VAUX_V
GAME_V
SAT_V
Blu-ray_V
Blu-ray_V
DVD_V
75
75
75
75
75
75
75
6dB
6dB
6dB
6dB
6dB
6dB
6dB
6dB
6dB
75
75
75
10
10
6dB
75
75
75
75
75
75
75
75
75
75
75
10
10
6dB
6dB
330
330
330
330
SPDIF_Z2HDMI
-
-
-
-
-
-
-
-
SPDIF_HDMIRX
-
-
-
I2S/DSD_HDMIRX
I2S_HDMITX
-
-
-
-
-
-
-
-
-
470
150
150
470
150
470
150470
75
COMPONENT
Cr
Cb
Cr
Cb
SAT
Y
Cb
Y
Cr
Y
DVD
BD
Zone2 Select
Zone2 Select
ZoNE1 Select
DEC. Select
Zone2 Select
ZoNE1 Select
DEC. Select
DEC. Select
Zone1 Select
INPUT1
COMPOSITE
INPUT
COMPONENT
MONITOR
ZONE1
INPUT2
COMPONENT
ZONE2
Cb
Y
MONITOR
Cr
COMPONENT
INPUT3
COMPONENT
SAT
DEC Y
DEC Cb
DEC Cr
DEC V
Cr
Y
Cb
ZONE1
MONITOR
CVBS
ZONE2
MONITOR
CVBS
DVD
GAME
INPUT
COMPOSITE
INPUT
COMPOSITE
V.AUX
INPUT
COMPOSITE
Y_OUT4
Y_OUT2
Y_OUT1
CB_OUT1
CB_OUT2
CB_OUT4
CR_OUT4
CR_OUT2
CR_OUT1
DEC V Select
V_OUT4
AVDM2000
Y_IN1
Y_IN2
Y_IN3
Cb_IN3
Cb_IN1
Cb_IN2
Cr_IN1
Cr_IN2
Cr_IN3
V_IN1
V_IN2
V_IN4
V_IN3
V_IN
6
V_IN7
V_IN8
V_IN5
V_IN9
V_OUT2
Z2 V Select
V_OUT1
Z1 V Select
Cr_IN4
Cr_IN5
Cr_IN6
Cb_IN6
Cb_IN4
Cb_IN5
Y_IN6
Y_IN4
Y_IN5
TMDS
TO D.AUDIO (SPDIF)
MONITOR1
HDMI
FRONT
HDMI 3
HDMI
TMDS
HDMI 1
TTL
TMDS
TTL
S.FLASH
128Mbit
HDMI
HDMI 7
HDMI
ZONE2
INPUT
HDMI 2
TMDS
TO D.AUDIO (I2S/DSD)
TTL
MONITOR2
TMDS
INPUT
HDMI 1
HDMI
INPUT
VIDEO
PLD
5M570Z
ARC
TMDS
Z2 SPDIF
HDMI
INPUT
HDMI
HDMI
MONITOR1
HDMI
VIDEO
DECODER
ADV7850
HDMI 3
FROM
DIGITAL AUDIO/NETWORK
BLOCK DIAGRAM
TMDS
FROM D.AUDIO (I2S)
TMDS
INPUT
TMDS
scaler
GUI
ADV8003
TMDS
HDMI
TMDS
HDMI 2
DDR2
TMDS
ZONE1
INPUT
TMDS
HDMI
buffer
AD8195
INPUT
TMDS
HDMI 4
HDMI 5
TO D.AUDIO (SPDIF)
INPUT
HDMI Tx
scaler
MN864777
HDMI 6
ZONE1
HDMI
TMDS
DDR2
TO
DIGITAL AUDIO
BLOCK DIAGRAM
INPUT
COMPOSITE
Blu-ray
Matlix SW
Rx
MN864778
Matlix SW
Rx
MN864778
RX0
RX1
RX2
RX3
TX0
TX1
RX0
RX3
RX1
RX2
TX0
TX1
TMDS
RX1
RX0
RX2
RX3
TX0
TX1
AVR-X7200,AV8802 only
DIGITAL PCB BLOCK
fig.16
CX870/CY920_VBUSclk
CX870/CY920_VBUSdata(8bit)
FROM
DIGITAL AUDIO / NETWORK BLOCK
DIAGRAM
59

Table of Contents

Other manuals for Denon AVR-X5200W

Related product manuals