EasyManua.ls Logo

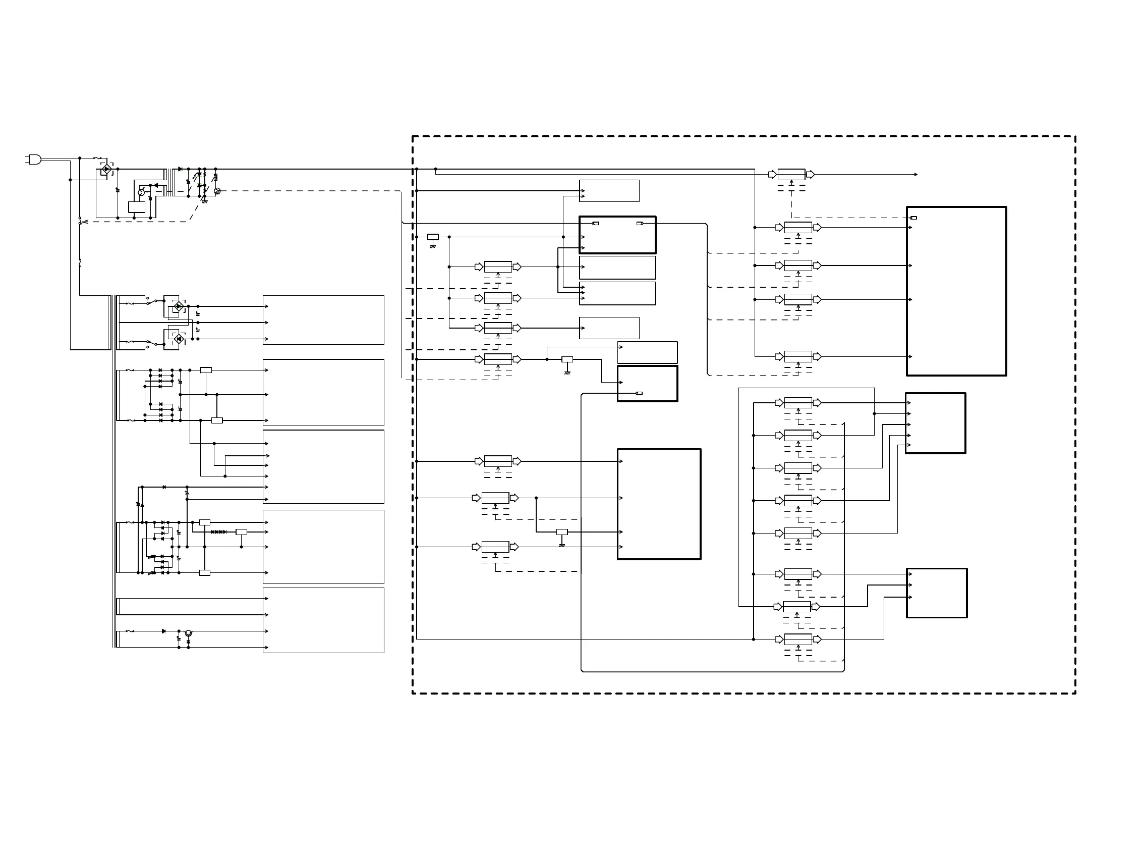
Denon AVR-X6200W - Power Diagram

Denon AVR-X6200W
218 pages
To Next Page IconTo Next Page
To Next Page IconTo Next Page
To Previous Page IconTo Previous Page
To Previous Page IconTo Previous Page
Loading...
POWER DIAGRAM
AC PLUG
GND
IN
OUT
DC-DC_CONV.
920_POWER
EX3AV
NET3.3V
3.3V
D5V
5.2V
from_MAIN
FRONT_USB_VBUS
NET1.2V
NET3.3V
920_CONTROL
232C+3.3V
IN
OUT
TR
SCPU_POWER_MO
2SA2018
SCPU5V
5.2V
D5V
5.2V
form_MAIN
DSP1.1V1
IN
OUT
REG
NJM2845DL
SCPU+3.3V
SUBCPU_CONTROL
SCPU5V
D5V
M+3.3V
M+3.3V
SWM+3.3V
M+3.3V
SWM+3.3V
REMOTE+3.3V
MAINCPU_CONTROL
IN
OUT
TR
REMOTEPOWER_MO
2SA2018
REMOTE3.3V
3.3V
M3.3V
3.3V
form_MAIN
IN
OUT
TR
232C_POWER
2SA2018
232C3.3V
3.3V
M3.3V
3.3V
form_MAIN
IN
OUT
REG
NJM2845DL
IN
OUT
FET
CPU_POWER_MO
FDC60BPZ
SWM3.3V
3.3V
M3.3V
3.3V
form_MAIN
IN
OUT
DC-DC_CONV.
920_POWER
EX3AV
NET1.9V
1.9V
D5V
5.2V
from_MAIN
IN
OUT
DC-DC_CONV.
920_POWER
EX3AV
NET1.2V
1.2V
D5V
5.2V
from_MAIN
NET1.8V
IN
OUT
IC
cam_xclka
NCP380
FRONT_USB_VBUS
5.2V
D5V
5.2V
form_920
IN
OUT
DC-DC_CONV.
CEC_POWER
EX3AV
CEC1.2V
1.2V
D5V
5.2V
form_SUBCPU
IN
OUT
DC-DC_CONV.
DV_POWER2
EX3AV
DV1.8V
1.8V
D5V
5.2V
form_SUBCPU
DV1.8V
DV5V
DV3.3V
IN
OUT
DC_DC_CONV.
CEC_POWER
EX3AV
CEC3.3V
3.3V
D5V
5.2V
form_SUBCPU
IN
OUT
DC-DC_CONV.
CEC_POWER
EX3AV
CEC1.2V2
1.2V
D5V
5.2V
form_SUBCPU
CEC5V
IN
OUT
TR
CEC_POWER
2SA2018
CEC5V
5.2V
D5V
5.2V
form_SUBCPU
CEC3.3V
IN
OUT
TR
DV_POWER1
2SA2018
DV5V
5.2V
D5V
5.2V
form_SUBCPU
FLD_VKK
ANALOG_VIDEO_-5V
IN
OUT
Tr
ANALOG_VIDEO_GND
ANALOG_AUDIO_GND
ANALOG_AUDIO_-7V
IN
OUT
REG
POWER_AMP_GND
FLD_AC
IN
OUT
Tr
FLD_AC
ANALOG_AUDIO_+7V
POWER_AMP_HIGH_B
RELAY_12V
TRIGGER1&2_+12V
IN
OUT
REG
FAN_GND
POWER_AMP_HIGH_B
IN
OUT
REG
FLD_GND
TRIGGER_GND
ANALOG_VIDEO_+3.3V
RELAY_GND
ANALOG_VIDEO_+5V
FAN_+612V
SWM+3.3V
CEC1.1V
CEC1.1V2
IN
OUT
DC-DC_CONV.
DA_POWER
ADP2114ACPZ-R7
DSP1.1V
1.1V
D3.3V
3.3V
IN
OUT
DC_DC_CONV.
DA_POWER
EX3AV
DA3.3V
3.3V
D5V
5.2V
form_SUBCPU
IN
OUT
REG
NJM2845DL1-18
DA3.3V
DA1.8V
IN
OUT
DC-DC_CONV.
CEC_POWER
EX3AV
CEC1.1V
1.1V
D5V
5.2V
form_SUBCPU
DA1.1V2
IN
OUT
FET
DV_POWER1
FDC60BPZ
DV3.3V
3.3V
CEC3.3V
3.3V
form_SUBCPU
IN
OUT
DC-DC_CONV.
920_POWER
EX3AV
NET2.5V
2.5V
D5V
5.2V
from_MAIN
NET2.5V
IN
OUT
DC-DC_CONV.
CEC_POWER
EX3AV
CEC1.2V3
1.2V
D5V
5.2V
form_SUBCPU
CEC1.1V3
MAIN_POWER
CONTR
OLLER
CY920
PHY/RAM/ROM
DSP/DIR/
PLD/DAC
SUB CPU
CEC_BUFFER
RESET/B_DOWN
MAIN CPU
FRONT
232C
I/P OSD
HDMI SW1
VIDEO PLD
HDMI SW2
DECORDER
HDMI TX
TRIG/FAN BLOCK
FLD BLOCK
ANALOG VIDEO BLOCK
ANALOG AUDIO BLOCK
POWER AMP BLOCK
HD_RADIO
DIGITAL PCB BLOCK
0.3A
0.312A
AVR-X6200W BLOCK DIAGRAM (P.SUPPLY)
128

Table of Contents

Other manuals for Denon AVR-X6200W

Related product manuals