EasyManua.ls Logo

Denon AVR-X6200W - Page 39

Denon AVR-X6200W
218 pages
To Next Page IconTo Next Page
To Next Page IconTo Next Page
To Previous Page IconTo Previous Page
To Previous Page IconTo Previous Page
Loading...
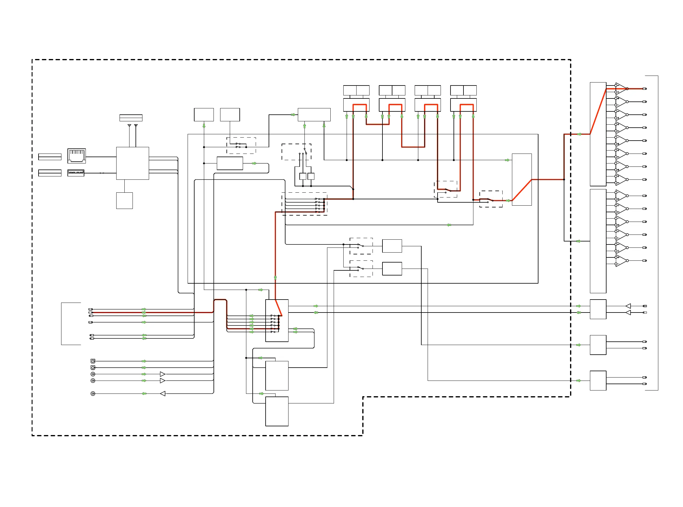
I2S/DSD_HDMIRX
INPUT
SPDIF_HDMIRX
INPUT
I2S_HDMITX
OUTPUT
COAX1
COAX2
OPT1
OPT2
SPDIF_Z2HDMI
INPUT
ADIN_FL
INPUT
ADIN_FR
INPUT
Z2DA_L
OUTPUT
Z2DA_R
OUTPUT
Z3DA_L
OUTPUT
Z3DA_R
OUTPUT
1 2
1 2
1 2
1 2
1 2
DENONLinkHD
7
6
5
7
6
5
7
6
5
7
6
5
1
3
2
1
3
2
1
3
2
1
3
2
1
3
2
7
6
5
1
3
2
7
6
5
1
3
2
7
6
5
DA_FWR
OUTPUT
DA_FWL
OUTPUT
DA_FHR
OUTPUT
DA_FHL
OUTPUT
DA_SBR
OUTPUT
DA_SBL
OUTPUT
DA_SR
OUTPUT
DA_SL
OUTPUT
DA_RSV
OUTPUT
DA_SW2
OUTPUT
DA_SW1
OUTPUT
DA_C
OUTPUT
DA_FR
OUTPUT
DA_FL
OUTPUT
1
2
3
1
2
3
1
2
3
CY920_VBUclk
OUTPUT
CY920_VBUSdata(8bit)
OUTPUT
1
2
3
SDATA
Z2_SPDIF
Z3_SPDIF
OPT1
OPT2
COAX1
COAX2
Z3DIR_I2S
SPDIF_Z2HDMI
I2S/DSD_HDMIRX
SPDIF_HDMIRX
Z3DAC_I2S
Z2DAC_I2S
I2S_HDMIRX
DSD_HDMIRX
I2S_CY920
DSD_CY920
DLHD
DLHD
I2S_HDMITX
I2S_CY920
Z2DIR_I2S
I2S_HDMITX
I2S_CY920
DSD_CY920
CY920_VBUclk
CY920_VBUSdata(8bit)
CY920_VBUSdata(8bit)
CY920_VBUclk
SPDIF_HDMIRX
OPT2
OPT1
COAX2
COAX1
SPDIF_Z2HDMI
Z3_SPDIF
Z2_SPDIF
REFCLK
DIR_I2S
ADCCLK
DSP1_IN_LRCK
DSP1_IN
PLLOUT
24.576MHz
DENON Link HD
Generator Module
ZONE2
Mute Logic
ZONE3
Mute Logic
1/2
Div.
1/4
Div.
1st DSP
ADSP-21487 ADSP-21487
3rd DSP
ADSP-21487
4th DSP
Main ZONE
Mute Logic
FCXO-05
Jitter Reducer PLL
CS2100
Main DIR
PCM9211
LC89091JH
ZONE2 DIR
LC89091JH
ZONE3 DIR
DSP1 INPUT MUX
ZONE2 I2S MUX
ZONE3 I2S MUX
MAIN ADC
AK5358B
ZONE2 DAC
PCM5100
ZONE2 DAC
PCM5100
MAIN DAC1
PCM1690
MAIN DAC2
PCM1690
Audio PLD
5M570ZF256C5N
DSP3 INPUT MUX
DAC INPUT MUX
SDRAM FLASH FLASHSDRAM SDRAM FLASH
AVR-X6200W DIGITAL AUDIO/NETWORK BLOCK DIRAGRAM
fs Assign Sel.
25.0MHz
FCXO-05
CY920
Netowrk Module
iPod
Coprocessor
Wired Network
Input
USB-A
Wireless Network
Input
Input
From/To VIDEO BLOCK DIAGRAM
From/To ANALOG AUDIO BLOCK DIAGRAM
(FRONT)
Ref clock Sel.
DIGITAL PCB BLOCK
FLASH
ADSP-21487
2nd DSP
SDRAM
WLAN Antenna
WLAN&BT Antenna
fig.05b
39

Table of Contents

Other manuals for Denon AVR-X6200W

Related product manuals