EasyManua.ls Logo

Denon AVR-X6200W

Denon AVR-X6200W
218 pages
To Next Page IconTo Next Page
To Next Page IconTo Next Page
To Previous Page IconTo Previous Page
To Previous Page IconTo Previous Page
Loading...
G
1
Lch
2
Rch
3
+
+
+
+
+
+
+
+
+
+
+
GAME
DVD
TUNER
MP
CD
MP
SAT/CBL
BD
V.AUX
MIC
DA-FL
DA-FR
DA-C
TUNER
DA-SW1
Z3L
MX
PRE_SBL/SBR
PRE_FHL/FHR
PRE_FWL/FWR
PRE_C
PRE_FL/FR
EXT-FR
EXT-C
EXT-SW
EXT-SW
EXT-SL
EXT-SR
DA-FHR
DA-FHL
DA-SR
DA-SL
DA-SW2
DA-SW1
DA-C
DA-FR
DA-FL
Z2L
PRE_Z2L/Z2R
MIC
V.AUX
XLR
PRE_Z3L/Z3R
PHONO
PRE_SL/SR
PRE_SW2
PRE_SW1
DA-FL/FR
PHONO
EXT-FL/FR
DA-SW2
DA-SBR
DA-SL
DA-FHL
DA-SBL
DA-SR
DA-FHR
DA-FWR
DA-FWL
DA-SBR
DA-SBL
DA-FWR
DA-FWL
EXT-FL
PRE_FL
PRE_FR
PRE_FR
PRE_FL
PRE_FL
PRE_FR
PRE_FR
PRE_FL
EXT-SBL
EXT-SBR
CD
DVD
GAME
BD
SAT/CBL
PRE_C
PRE_FL
PRE_SBL
PRE_FR
PRE_SL
PRE_SR
INPUT
CD
DVD
BD
SAT/CBL
DVR
V.AUX
GAME
MIC
FL
FR
C
PREOUT
TUNER:
NA/EU/AP
ALL MODEL
AUDIO
PRE_HR1
PRE_FWL
PRE_HL1
PRE_FWR
SW1
PRE_SW1
PRE_SW2
H/P OUT
P.AMP
P.AMP
P.AMP
P.AMP
P.AMP
P.AMP
P.AMP
P.AMP
P.AMP
ZONE2
(SUB1)
(IN1L/R)
(IN2L/R)
(IN4L/R)
(IN3L/R)
(IN6L/R)
(IN5L/R)
(IN7L/R)
(IN8L/R)
(IN12L/R)
(IN10L/R)
(IN9L/R)
(IN11L/R)
(IN14L/R)
(IN13L/R)
MAIN
(MAIN)
ZONE3
(SUB2)
(REC3L/R)
(ADCR)
(ADCL)
Z2RLINE
Z2LLINE(SUBR1)
(SUBL1)
(SUBR2)
(SUBL2) Z3RLINE
Z3LLINE
MAIN-L
MAIN-R
PRE_SBR
(COUT)
(CIN1)
(CIN2)
(SWIN2)
(SWIN1)
(SWOUT)
(FLOUT)
(FLIN1)
(2chRIN)
(FRPRE)
TONE
(FLIN2)
(FRIN1)
(FRIN2)
TONE
(FROUT)
(FLPRE)
(2chLIN)
(SRPRE)
(SBLIN1)
(SLPRE)
(SBLCIN)
(SBRIN1)
(SRCIN)
(SBRCIN)
(SLCIN)
(SRIN2)
(SBLPRE)
(SROUT)
(SBLIN2)
(SRIN1)
(SBLOUT)
(SLCIN)
(SBLCIN)
(SLIN2)
(SLOUT)
(SBRIN2)
(SBROUT)
(SRCIN)
(SBRCIN)
(SBRPRE)
(SLIN1)
(SRPRE)
(SWIN1)
(SBLIN1)
(CIN2)
(FLOUT)
(FLIN1)
(2chRIN)
(SWIN2)
(SWOUT)
(FRPRE)
(SLIN1)
TONE
(SBRPRE)
(SBRCIN)
(FLIN2)
(SRCIN)
(SBROUT)
(SBRIN2)
(SLOUT)
(SLIN2)
(SBLCIN)
(SLCIN)
(SBLOUT)
(FRIN1)
(SRIN1)
(SBLIN2)
(FRIN2)
TONE
(FROUT)
(FLPRE)
(2chLIN)
(SROUT)
(SLPRE)
(COUT)
(SBLCIN)
(SBLPRE)
(SBRIN1)
(SRCIN)
(SBRCIN)
(CIN1)
(SLCIN)
(SRIN2)
SBL
FR
FL
SBR
FHR
FHR
FHL
FHL
PREOUT
PREOUT
PREOUT
PREOUT
PREOUT
PREOUT
SBR
SBL
FWR
FWL
RSV
C
SR
SL
SL
RSV
C
SR
SW2
SW1
PREOUT
PREOUT
PREOUT
PREOUT
PREOUT
PREOUT
VOLUME IC1
9ch AMP SP OUT
No6No5
CCC
No8
CC
No7No3 No4No1 No9
C
(INAL/R)
(INBL/R)
TO
DIGITAL
AUDIO
BLOCK
DIAGRAN
Z2L
Z2R
PREOUT
FR
FL
PREOUT
SW2
SW1
(IN2L/R)
MAIN
(REC3)
(REC3L/R)
(IN7L/R)
(IN1L/R)
(INAL/R)
(IN5L/R)
(IN9L/R)
ZONE2
(SUB1)
(IN6L/R)
ZONE3
(SUB2)
(INBL/R)
(IN10L/R)
(IN3L/R)
(IN14L/R)
(IN12L/R)
(IN4L/R)
(IN13L/R)
(IN11L/R)
(IN8L/R)
AMPIN
VOLUME IC2
VOLUME
IC2
CENTER
FL
FR
SR
SL
9ch
BI-
WIR
ING
HEI
GHT
NOR
MAL
HEI
GHT
7ch
+Z3
7ch
BI-
AMP
7ch
+Z2
5ch
+Z2
+Z3
---
---
---
---
---
---
---
SBL
FL
FR
SR
SL
SBR
FHL
FHR
No2
NOR
MAL
WIDE
SBR
SL
SR
FR
FL
SBL
C
FWR
FWL
---
FL
FR
FL
SR
SL
FR
---
SBR
SBL
FR
SL
FL
FR
SBR
SR
FL
SBL
FHL
FHR
SL
SR
FL
9ch
BI-
WIR
ING
WIDE
C
FL
SBL
FR
FR
SBR
FWR
FWL
SBR
SR
SL
FR
SBL
FL
FR
SL
FL
SR
SBL
SBR
Z2L Z3L
Z3RZ2R
------
------
SR
FL
SL
FR
Z2R
Z2L
Z3R
Z3L
---
---
---
---
---
---
---
---
MAIN AD-R
ADC INPUT
MAIN AD-L
C
/R
/R
PREOUT
HPF
Z2R
Z2L
MONO
FULL
PREOUT
TONE
(SUB2L/R)
(SUB2L/R)
AMPIN
AMPIN
MONO
ZONE2
HPF
HPF+MONO
MONO
HPF
HPF+MONO
HPF
FULL
MONO
MONO
MONO
TONE
MONO
Z3R
HPF
ZONE3
FULL
Z3L
MONO
HPF+MONO
HPF
TONE
FULL
MONO
MONO
MONO
PREOUT
HPF
HPF
MONO
TONE
HPF+MONO
PREOUT
Z2/Z3 MONO
PHONO
R2A15220FP
R2A15220FP
NJW1194
NJW1194
R2A15220FP
DAC OUT
(For Zone2/3)
(For Signal DET)
PRE_Z3R
PRE_Z2L
PRE_Z2R
PRE_Z3L
PRE_HR2
PRE_HL2
HR
HL
WL
WR
SBR
SBL
---
---
SW2
SBL
SBR
FHL
FWL
SR
FHR
FWR
SL
FWR
FWL
Z3DA-L
Z2DA-L
Z3DA-R
Z2DA-R
ZONE DAC OUT
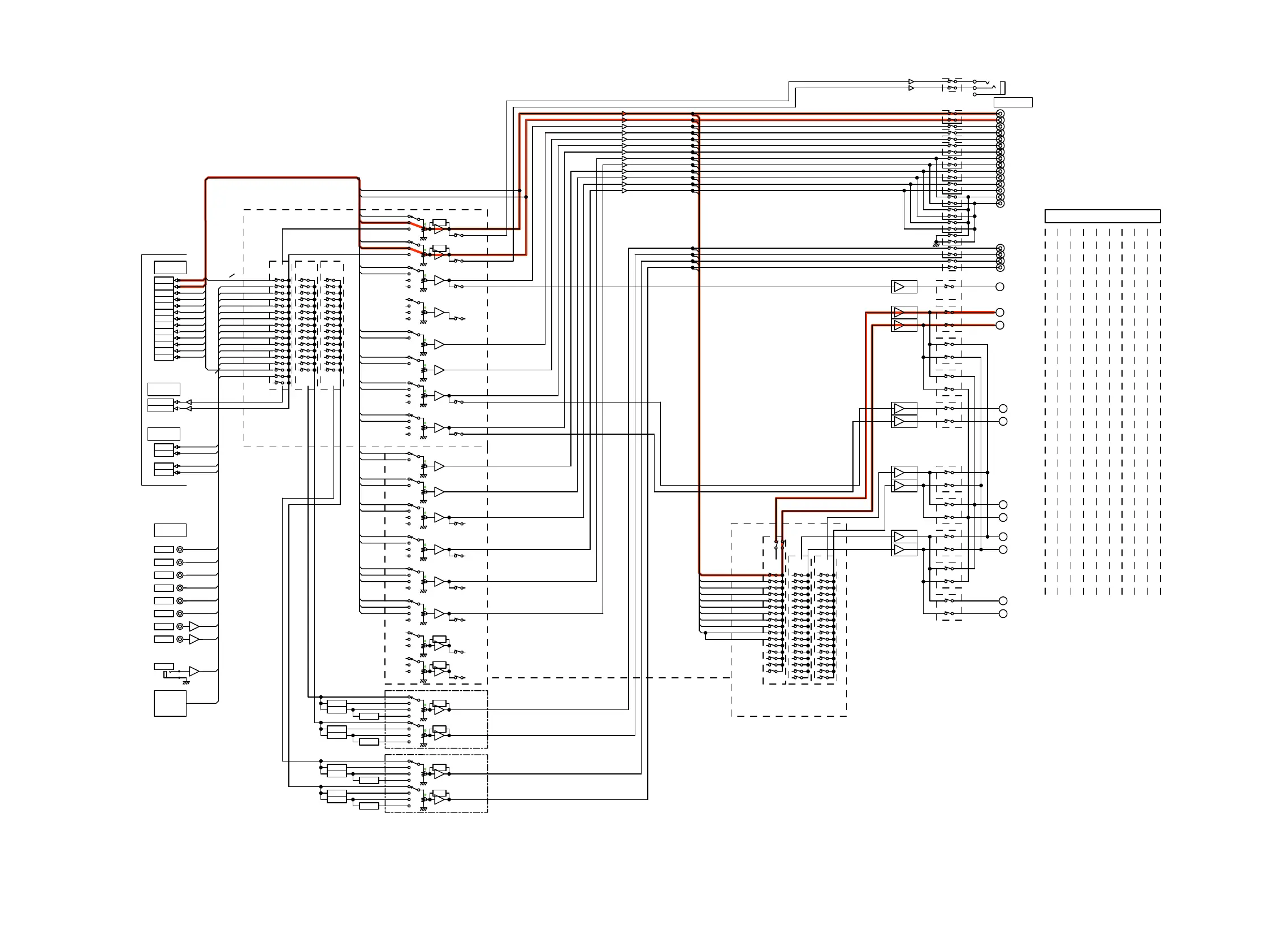
AVR-X6200W BLOCK DIAGRAM (A.AUDIO/Z2,3HPF)
fig.20c
64

Table of Contents

Other manuals for Denon AVR-X6200W

Related product manuals