EasyManua.ls Logo

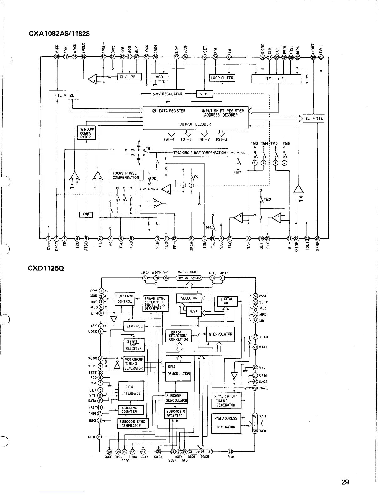
Denon DCD-3560 - Integrated Circuit Block Diagrams; CXA IC Block Diagrams; CXD1125 Q IC Block Diagram

Denon DCD-3560
46 pages
Print Icon
To Next Page IconTo Next Page
To Next Page IconTo Next Page
To Previous Page IconTo Previous Page
To Previous Page IconTo Previous Page
Loading...
CXA
1082AS/1182S
'"
z
w
'"
12L
--TTL
0
z
::;
u
l:l
<!>
a:
>
0
><
c
""
1
INPUT
SHIFT
REGISTER
ADDRESS
DECODER
~
t
TM7
~FSI
t
-------------------------
OUTPUT
DECODER
I
~
o
W
lL-
III
...J
lL-
12L
DATA
REGISTER
FOCUS
PHASE
COMPENSATION
u
'"
~
U
N
f--
1.
FSI-4 TGI-2
TMI-7
PSI-3
Ir-t-I---t::~~~--M""'---------'I---p-wl"
rr
Tt
:TMf !M6
I
TRACKING
PHASE
COMPENSATION
~ ~
~ ~
W f-- W
~
U
.....
o
~.
CXD1125Q
3
EXCI<
SUBO
SBSO
GENERATOR
XTAO
Vss
RAil
29

Table of Contents

Related product manuals