EasyManua.ls Logo

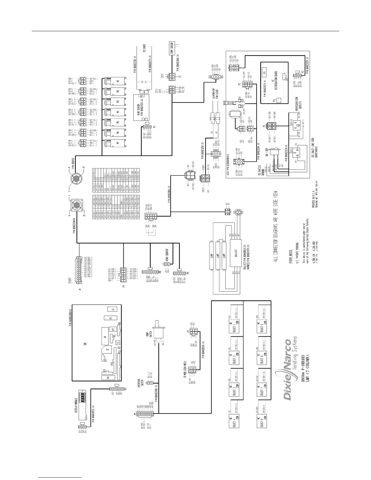
Dixie DN720P - PARTS LIST - LMV SELECT PANEL DIAGRAM; LMV 8;7 Column Select Panel

Dixie DN720P
100 pages
Print Icon
To Next Page IconTo Next Page
To Next Page IconTo Next Page
To Previous Page IconTo Previous Page
To Previous Page IconTo Previous Page
Loading...
PARTS LIST P SERIES
Page 52 of 100
LMV 8 Select / 7 Column

Table of Contents