EasyManua.ls Logo

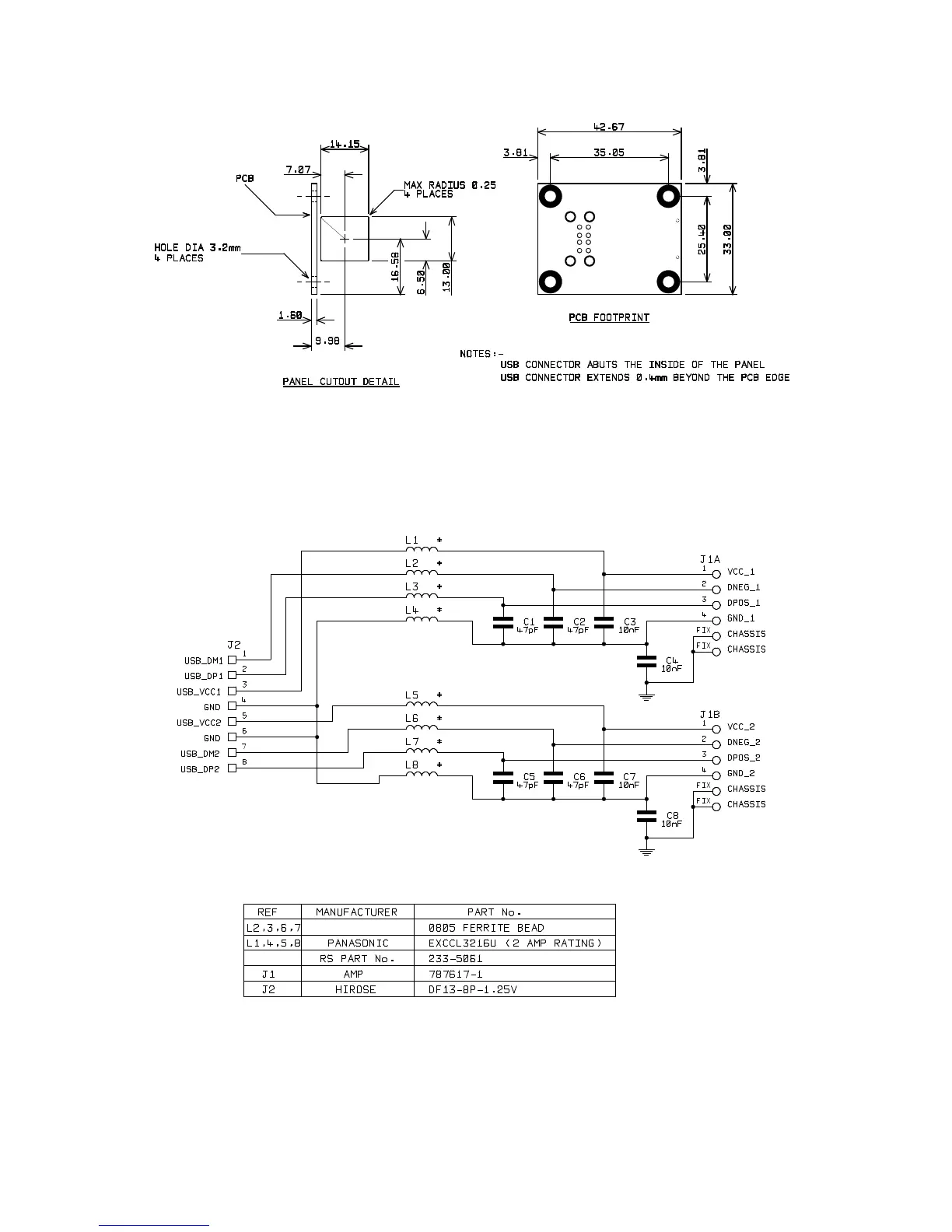
DSP TP400 PC - Figure K1 - Tp300 Usb Mechanical Drawings; Figure K2 - Tp300 Usb Circuit Diagram

Default Icon
140 pages
Print Icon
To Next Page IconTo Next Page
To Next Page IconTo Next Page
To Previous Page IconTo Previous Page
To Previous Page IconTo Previous Page
Loading...
K2 158004.B00
FIGURE K1 - TP300USB MECHANICAL DRAWINGS
FIGURE K2 - TP300USB CIRCUIT DIAGRAM

Table of Contents