EasyManua.ls Logo

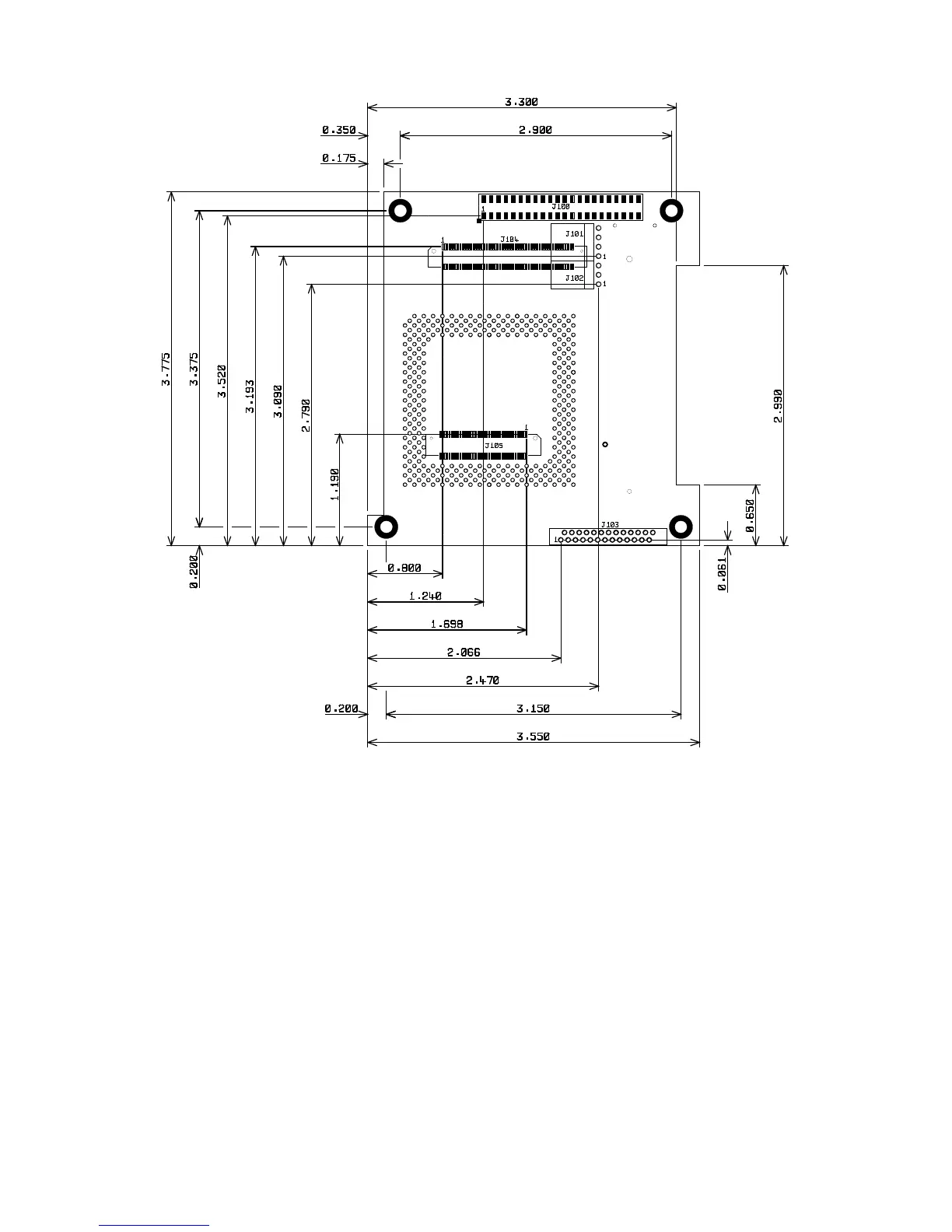
DSP TP400 PC - Figure C6 - Daughter Board Mechanical Dimensions

Default Icon
140 pages
Print Icon
To Next Page IconTo Next Page
To Next Page IconTo Next Page
To Previous Page IconTo Previous Page
To Previous Page IconTo Previous Page
Loading...
158004.B00 C7
FIGURE C6 - DAUGHTER BOARD MECHANICAL DIMENSIONS

Table of Contents