EasyManua.ls Logo

Dukane DPC II Plus - Setup Utilities; Figure 9-1 Utilities Menu Flowchart

Dukane DPC II Plus
190 pages
Print Icon
To Next Page IconTo Next Page
To Next Page IconTo Next Page
To Previous Page IconTo Previous Page
To Previous Page IconTo Previous Page
Loading...
97
Dukane Manual Part No. 40356601
Section 9 Utilities Menu
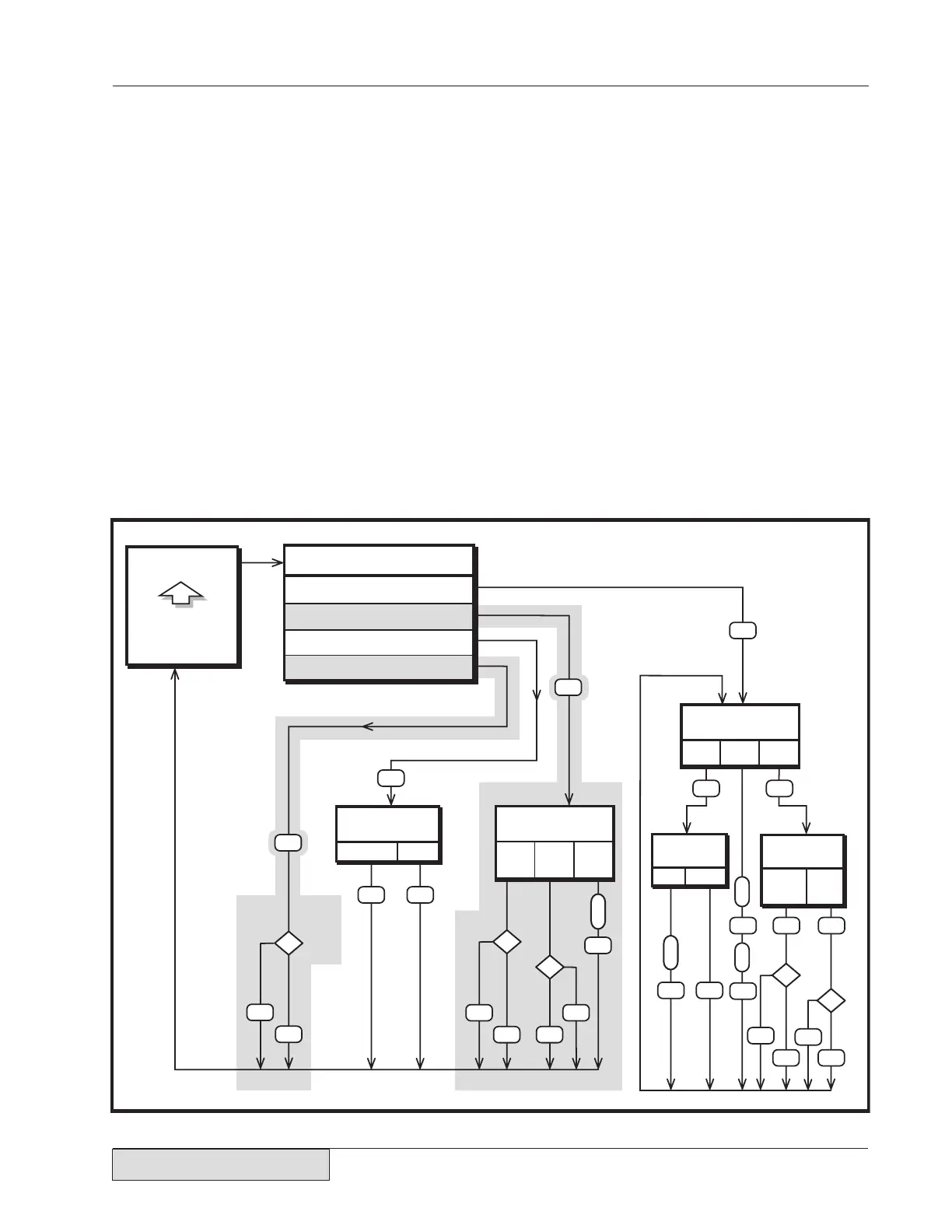
Utilities Menu
The Utilities Menu is the third option from the
main Process Setup menu. It is divided into four
distinct menu groups:
1. SETUP UTILITIES
2. PART COUNT
3. STATUS OUTPUTS
4. CYCLE PRESS OFF LINE
The basic flowchart for the Utilities Menu was
shown in Figure 67. A more detailed flowchart
is shown below in Figure 91. Unlike the other
two main menus, the four branches in the Utilities
menu are unrelated and independent of each other.
They only share a common thread of performing
utilitarian functions.
UTILITIES
SETUP UTILITIES
ERASE
CURRENT
SETUP
ERASE
ALL
SETUPS
STATUS
OUTPUTS
ERASE
SETUPS
LOCAL REMOTE
SETUP
TYPE
PULSEDMAINTAINED
SETUP
UTILITIES
ERASE
SETUPS
COPY
SETUP
SELECT
SETUP
PART
COUNT
PRESET
PART
COUNT
COUNT
BAD
PARTS
RESET
PART
COUNT
PART COUNT
STATUS OUTPUTS
CYCLE PRESS OFF LINE
ENTER
ENTER
ENTER
ENTER
ENTER ENTER
ENTER
ENTER
ENTER
ENTER ENTER
ENTER
ENTER
ENTER
ENTER
ENTER
ENTER ENTER
ENTER ENTER
UTILITIES
PROCESS
SETUP
Count
Bad
Parts?
Reset
Part
Count?
NO
YES
C?
NO
YES
R?
Cycle
Press
Off Line?
NO
YES
C?
OK to
Erase
Setups?
OK to
Erase
Setups?
E?
NO
YES
E?
NO
YES
ENTER
ENTER
ENTER
ENTER
ENTER
FromTo
Preset #
Setup #
Figure 91 Utilities Menu Flow Chart

Table of Contents

Related product manuals