EasyManua.ls Logo

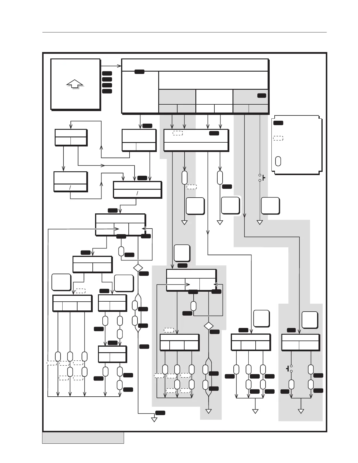
Dukane DPC II Plus - Figure 7-58 Process Control Menu Flowchart

Dukane DPC II Plus
190 pages
Print Icon
To Next Page IconTo Next Page
To Next Page IconTo Next Page
To Previous Page IconTo Previous Page
To Previous Page IconTo Previous Page
Loading...
83
Dukane Manual Part No. 40356601
Section 7 Process Control Menu
TRIGGER METHOD
PRESS
TIMED PROBE
MANUAL
INITIATE
MODE
AUTO
MOMENTARY MAINTAINED
TRIGGER TYPE
ENABLE or DISABLE
AUTO STOP
WELD
MODE
11
22
HOLD
TIME
PROCESS CONTROL
AFTER
BURST
WELD
METHOD
HOLD
TIME
PROCESS CONTROL
AFTER
BURST
RTWRTW
RTW
Step 1
Step 2
Step 3
TIMED
HAND
PROBE
TIMED
MPC
PROBE
TIMED
AUTO
PROBE
UNTIMED
AUTO
PROBE
UNTIMED
MPC
PROBE
UNTIMED
HAND
PROBE
Step 1
Step 2
Step 3
RTW
= READY TO WELD
RTW
= READY TO WELD
TIMED UNTIMED TIMED UNTIMED TIMED UNTIMED
AUTO
PROBE
MPC
PROBE
HAND
PROBE
AUTO STOP
ENABLE DISABLE
HEAD UP ON
AUTO STOP
WELD MODE
DUAL
PRESSURE
SINGLE
PRESSURE
WELD METHOD
TIME ENERGY
GND.
DETECT
WELD METHOD
TIME ENERGY
GND.
DETECT
WELD METHOD
TIME ENERGY
GND.
DETECT
RTW
RTW
WELD METHOD
TIME ENERGY
PRESSURE 1
TIME ENERGY
PRESSURE 2
TIME ENERGY
ENABLE DISABLE
UNTIMED PROBE
PROCESS
CONTROL
PROCESS
SETUP
Enable/
Disable
E
/
D
Enable/
Disable
E
/
D
T
delay
T
hold
T
hold
T
weld
T
weld
T
delay
T
burst
T
delay
T
burst
E
weld
E
weld
E
weld
T
max
T
max
T
max
T
max
T
scrub
T
weld
E
weld
T
max
T
weld
E
weld
T
max
T
weld
E
weld
T
max
T
max
T
scrub
T
max
T
scrub
T
weld
T
delay
Hand
Probe
Trigger
Switch
Hand
Probe
Trigger
Switch
748
747
746
745
737
736
735
734
713
714
714
713
715
722
723
725
726
724
716
75
76
78
79
729
733
752
744
742
741
740
739
738
743
752
751
710
711
717
718
718
720
716
715
715
717
718
718
720
716
717
718
718
720
749
750
727
728
716
716
SYMBOL LEGEND
Menu and Logic
Path appear in
this Figure No.
Menu in different
logic path but
looks the same
as this Figure No.
T
weld
Parameter Value
T = Time
E = Energy
SINGLE
PRESSURE
PRESS
DUAL
PRESSURE
PRESS
Figure 758 Process Control Menu Flowchart

Table of Contents

Related product manuals