EasyManua.ls Logo

Dukane DPC II Plus - Figure 3-4 DPC II Plus and EZ Hand Probe Cabling Connections; Figure 3-5 DPC II Plus and EZ Automated Probe Cabling Connections

Dukane DPC II Plus
190 pages
Print Icon
To Next Page IconTo Next Page
To Next Page IconTo Next Page
To Previous Page IconTo Previous Page
To Previous Page IconTo Previous Page
Loading...
21
Dukane Manual Part No. 40356601
Section 3 Unpacking and Installation
DUKANE CORP
ST. CHARLES, IL 60174
MADE IN USA
SERIAL NUMBER
US 10000
WARNING!
POWERLINE MUST BE GROUNDED
AT OUTLET
REMOVE ALL POWER BEFORE
REMOVING COVER OR CONNECTING
OR DISCONNECTING CABLES.
ULTRASOUND
OUTPUT
SYSTEM OUT
+
Power Monitor
Jacks
Power Signal
Output Module
Power
Signal
Output
Zero
Adjust
SYSTEM IN
J1
U.S.PATENT 4,277,710
WARNING
POWER LINE MUST BE
GROUNDED AT OUTLET
LINE VOLTAGE
200240Vac 50/60Hz
15A
MODEL NUMBER
200-240 VAC, 50-60Hz, 15A
Earth Ground
#14 Gauge
Wire
110 VAC or
220 VAC
Grounding Lug
Grounding Lug
Ultrasound
Input
Automation
Control
Status
Output
P/N 200–1302
Coaxial Cable
RG62B/U
#14 Gauge Wire
Automation
Equipment
P/N 200–1203
P/N 200–479

DUKANE CORP
ST. CHARLES, IL 60174
MADE IN USA
SERIAL NUMBER
US 10000
WARNING!
POWERLINE MUST BE GROUNDED
AT OUTLET
REMOVE ALL POWER BEFORE
REMOVING COVER OR CONNECTING
OR DISCONNECTING CABLES.
ULTRASOUND
OUTPUT
SYSTEM OUT
+
Power Monitor
Jacks
Power Signal
Output Module
Power
Signal
Output
Zero
Adjust
SYSTEM IN
J1
U.S.PATENT 4,277,710
WARNING
POWER LINE MUST BE
GROUNDED AT OUTLET
LINE VOLTAGE
200240Vac 50/60Hz
15A
MODEL NUMBER
200-240 VAC, 50-60Hz, 15A
J901 TO THRUSTER
J902 BASE/
ABORT
Jumper Block
Part No. 2001293
Pins 3 & 9
Connected
1
5
3
69
Earth Ground
#14 Gauge
Wire
Flexible + Coaxial Cable
20kHz Part No. 200624
40kHz Part No. 200759
(Included with probe)
Grounding Lug
110 VAC or
220 VAC
14Pin AMP to
HD15 Adapter
Part No. 2001248

The 3prong AC Line cords supplied are
matched to the DPC II Plus power rating and
the continent of specified use.
The part numbers are
2001109 North America 110V
2001110 North America 220V
2001111 Continental Europe
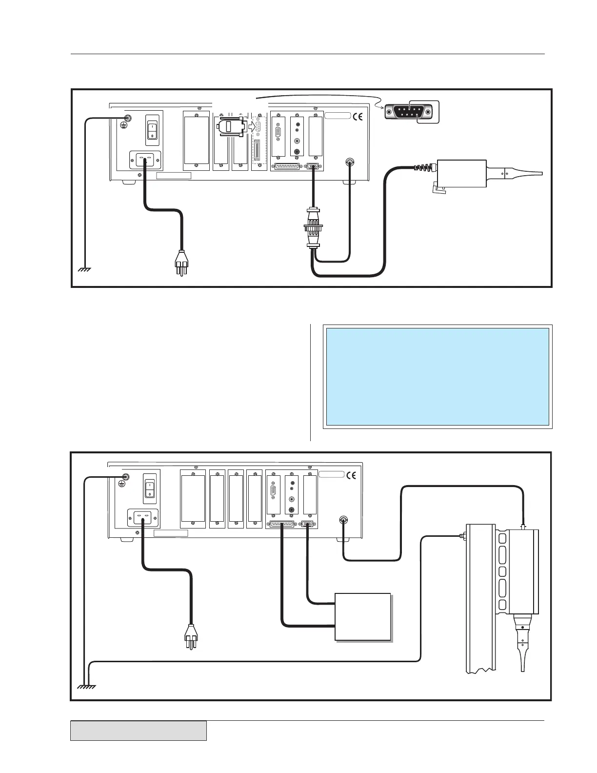
Figure 3-4 DPC II Plus and EZ Welder Hand Probe Cable Connections
Figure 3-5 DPC II Plus and EZ Welder Automated Probe Cable Connections
Table 3II DPC II Plus AC Power Cord Part Numbers
Step 4. Optional Attach the status output
cable from the usersupplied
automation equipment to the System
Output DB-25 connector. Not all
automation systems will have this cable.
Step 5. Attach the power cord to the DPC II
Plus and plug the other end into an
approved AC outlet.

Table of Contents

Related product manuals