EasyManua.ls Logo

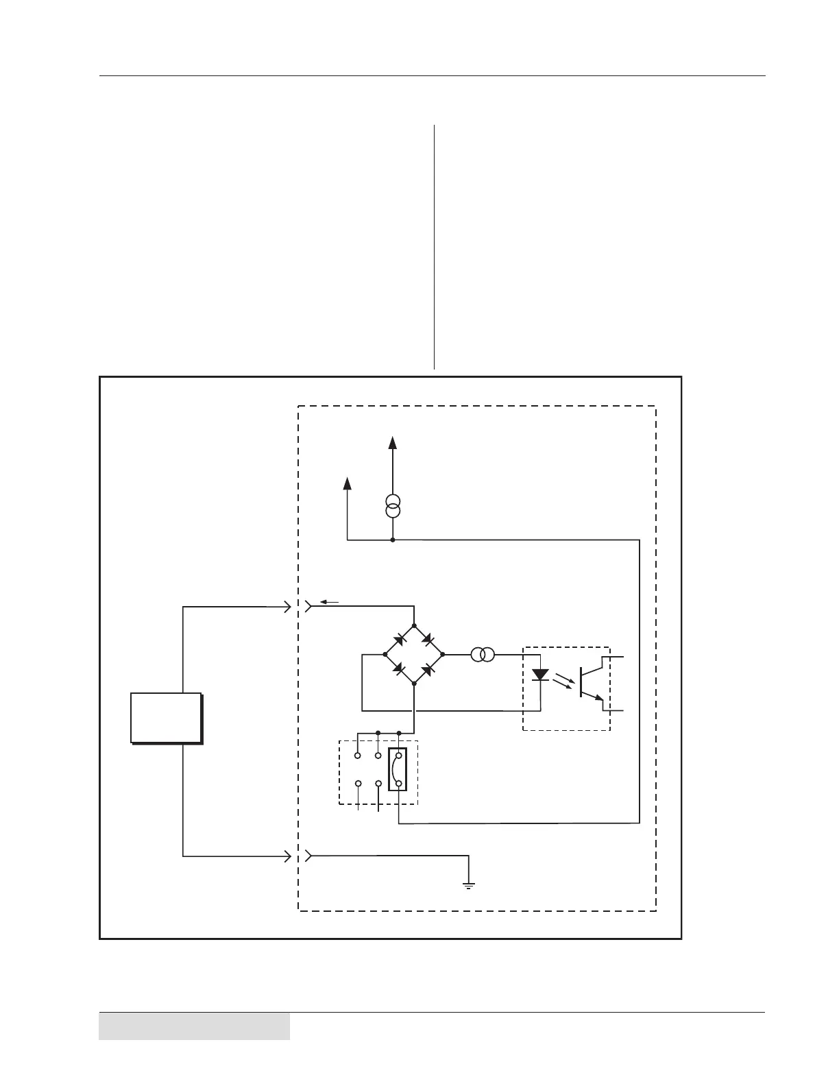
Dukane DPC II Plus - Isolated Automation Controls; Figure C-3 Non-Isolated Current Sink Switch; Non-Isolated Switch Circuits; Current Sink

Dukane DPC II Plus
190 pages
Print Icon
To Next Page IconTo Next Page
To Next Page IconTo Next Page
To Previous Page IconTo Previous Page
To Previous Page IconTo Previous Page
Loading...
165
Dukane Manual Part No. 40356601
Appendix C User Supplied Circuitry
+22V
DPC Internal
Power Supply
Current
Limit Circuit
250mA max.
Jumper Block SH707
Position JU724
(Refer to Figure 512)
+24V
Internal
DPC II Plus
Circuitry
Optical Isolation
Circuit
Current
Limit Circuit
12.5 mA
max.
12.5 mA
max
4 mA
min
Pin #2 or #7
Isolated Input
DPC Ground
Low-Side
Switch
Sinks Current
to Ground
Pin #3 Operate
Pin #5 Press Control
Pin #9 Auto Stop
User
Supplied
Switch
Circuitry
NonIsolated Switch Circuits
Current Sink Control Circuit
Figure C3 illustrates an automation control cir-
cuit connected to the low side of one of the Iso-
lated Automation Inputs. Even though the switch
drives an OptoIsolator, it is still connected to
DPC ground and not isolated. The SH707 jumper
block is in the factory default postion (JU724).
Any of the examples in Figure C2 can be used
in place of the block labeled
Low Side Switch
Sinks Current To Ground.
Figure C3 Current Sink Switch

Table of Contents

Related product manuals