EasyManua.ls Logo

Dukane DPC II Plus - Current Source; Figure C-5 Isolated Current Source Circuit; Isolated Switch Circuit

Dukane DPC II Plus
190 pages
Print Icon
To Next Page IconTo Next Page
To Next Page IconTo Next Page
To Previous Page IconTo Previous Page
To Previous Page IconTo Previous Page
Loading...
167
Dukane Manual Part No. 40356601
Appendix C User Supplied Circuitry
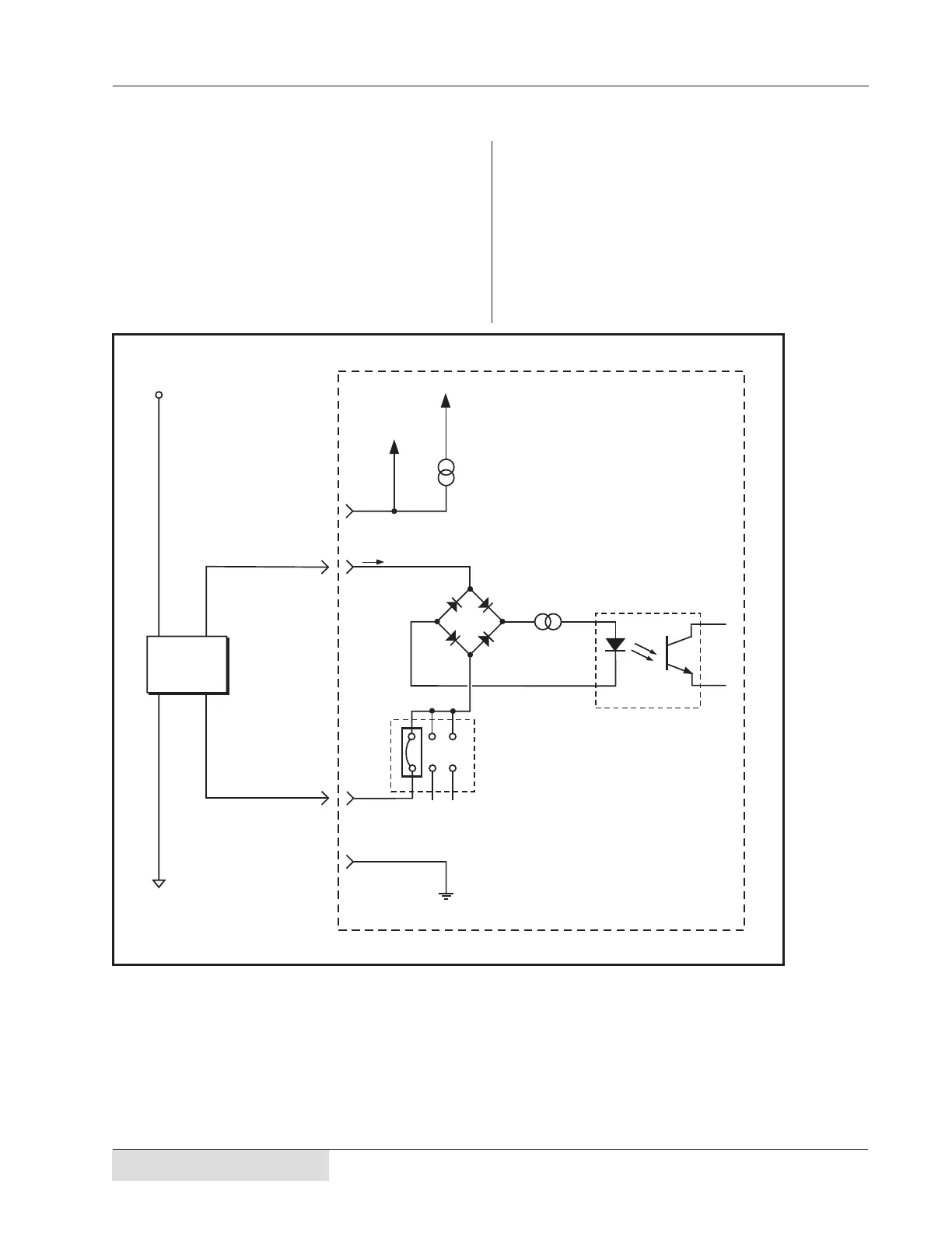
Isolated Switch Circuit
Isolated Current Source Circuit
Figure C5 illustrates a fully isolated circuit con-
nected to the Isolated Automation Inputs. This re-
quires an external power supply to drive the switch.
The SH707 jumper block needs to be placed in
the JU726 position (refer to Figure 512).
DPC Ground
+22V
DPC Internal
Power Supply
Current
Limit Circuit
250mA max.
Pin #2 & Pin #7
Isolated Input
HighSide
Isolated Input
LowSide
Automation
Ground
+5 to +24V
Automation
Power Source
Isolated
Current
Source
Pin #3 Operate
Pin #5 Press Control
Pin #9 Auto Stop
Pin #4 Iso Common
No Connection
Pin #1
No Connection
Jumper Block SH707
Position JU726
(Refer to Figure 512)
+24V
Internal
DPC II Plus
Circuitry
Optical Isolation
Circuit
User
Supplied
Switch
Circuitry
Current
Limit Circuit
12.5 mA
max.
12.5 mA
max
4 mA
min
Figure C5 Isolated Current Source

Table of Contents

Related product manuals