EasyManua.ls Logo

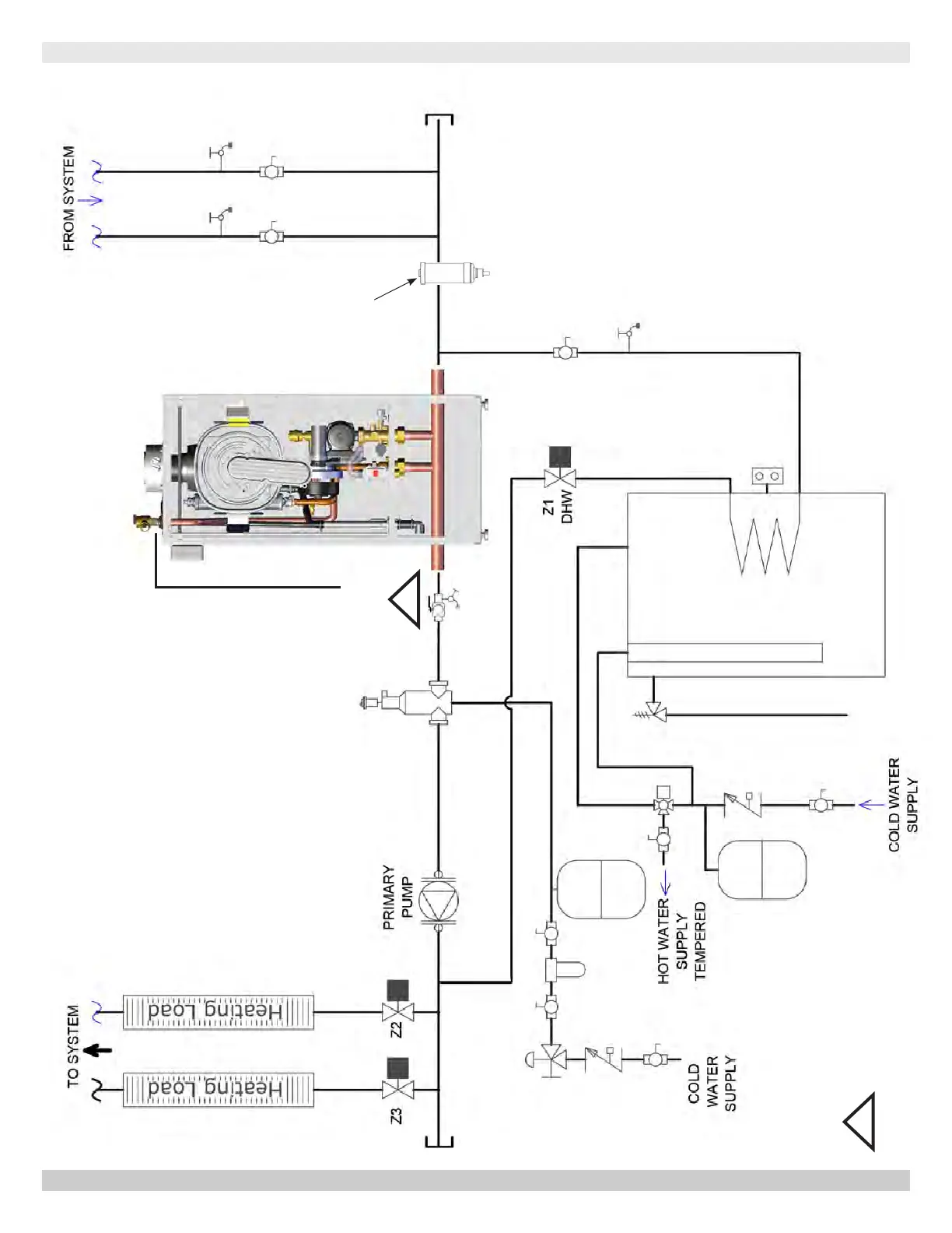
Dunkirk DCBF-125 - With Zone Valves - PIPING Diagram

Dunkirk DCBF-125
138 pages
Print Icon
To Next Page IconTo Next Page
To Next Page IconTo Next Page
To Previous Page IconTo Previous Page
To Previous Page IconTo Previous Page
Loading...
18
165F WITH ZONE VALVES
165F WITH ZONE VALVES - PIPING DIAGRAM
1
Shut off
& Purge
Valve
1
Locate shut off valve after
any field installed LWCO.
MAGNETIC DIRT
SEPARATOR
PN 240012875 REV. B [07/01/2021]

Table of Contents

Other manuals for Dunkirk DCBF-125

Related product manuals