EasyManua.ls Logo

Dunkirk DCBF-125 - 125 F with Zone Valves & DHW Tank - PIPING Diagram

Dunkirk DCBF-125
138 pages
Print Icon
To Next Page IconTo Next Page
To Next Page IconTo Next Page
To Previous Page IconTo Previous Page
To Previous Page IconTo Previous Page
Loading...
13
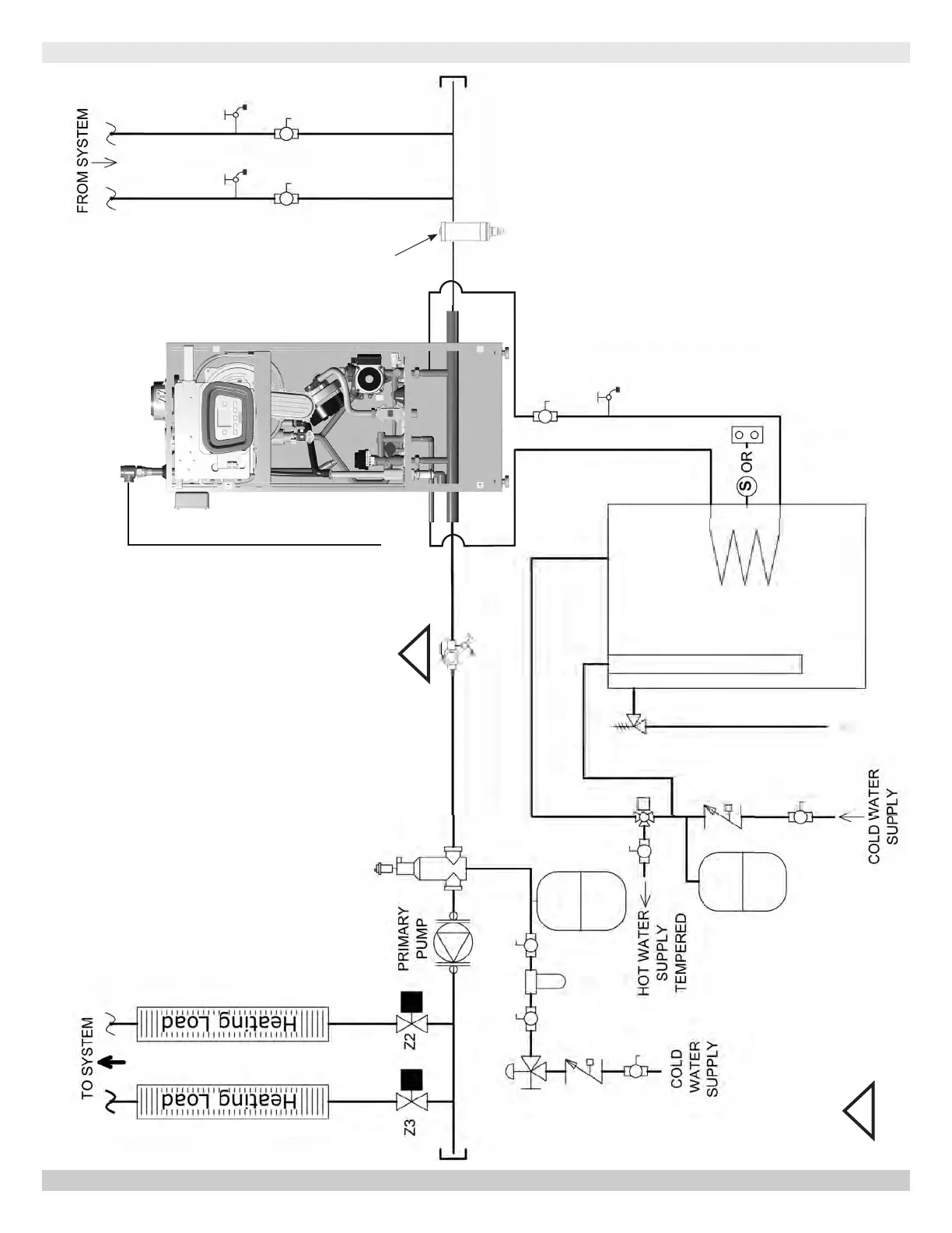
100F, 125F WITH ZONE VALVES & DHW TANK - PIPING DIAGRAM
100F & 125F WITH ZONE VALVES & DHW TANK
1
Shut off &
Purge Valve
1
Locate shut off valve after
any field installed LWCO.
MAGNETIC DIRT
SEPARATOR
PN 240012875 REV. B [07/01/2021]

Table of Contents

Other manuals for Dunkirk DCBF-125

Related product manuals