EasyManua.ls Logo

E Instruments BTU900 - Flow Chart - Analysis Menu (Zoom)

E Instruments BTU900
64 pages
Print Icon
To Next Page IconTo Next Page
To Next Page IconTo Next Page
To Previous Page IconTo Previous Page
To Previous Page IconTo Previous Page
Loading...
37
K800000000EJ 020650A0 170512
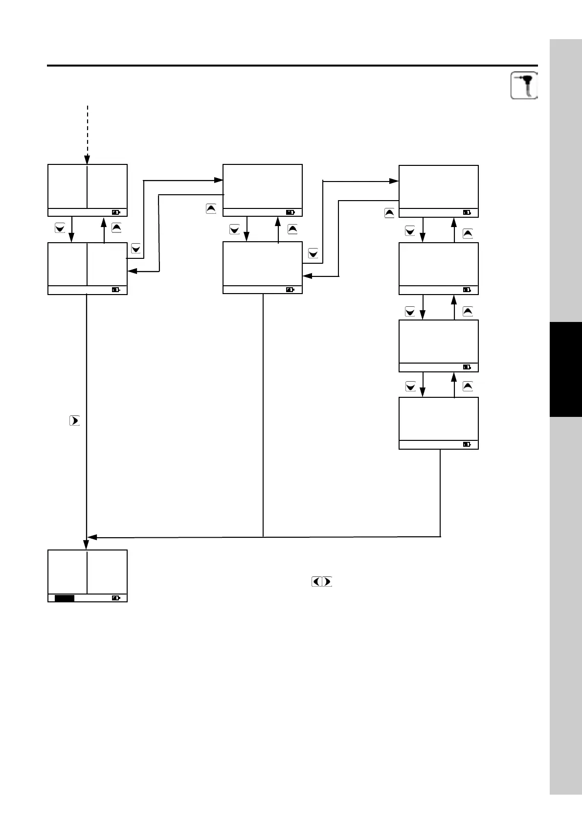
4.13.2 Flow Chart - Analysis Menu (zoom)
►RefO
2
Auto:001
O
2
4.2٪
CO
2
9.3٪
Xair 1.25
Tf 190.1C
Ta 15.4C
∆T 74.7C
Eff 83.4٪
Loss16.6٪
CO 146p
NO 40p
NO
X
51p
►RefO
2
Auto:001
O
2
4.2٪
CO
2
9.3٪
Xair 1.25
CO 146p
NO 40p
NOx 40p
O
OO
O
2
22
2
4.2
4.24.2
4.2٪
CO
COCO
CO
2
22
2
9.3
9.39.3
9.3٪
Xair
XairXair
Xair
1.25
1.251.25
1.25
►RefO
2
Auto:001
CO
CO CO
CO
146p
146p146p
146p
NO
NO NO
NO
40p
40p40p
40p
NOx 51p
NOx 51pNOx 51p
NOx 51p
►RefO
2
Auto:001
Auto:001
O
2
4.2٪
CO
2
9.3٪
Xair 1.25
Tf 190.1C
Ta 15.4C
∆T 74.7C
Eff 83.4٪
Loss16.6٪
CO 146p
NO 40p
NO
X
51p
RefO
RefORefO
RefO
2
22
2
Eff 83.4٪
Loss 16.6٪
CO 146p
NO 40p
NO
X
51p
►RefO
2
Auto:001
O
2
4.2 ٪
CO
2
9.3٪
Xair 1.25
Tf 190.1C
Ta 15.4C
∆T 174.7C
►RefO
2
Auto:001
Eff
EffEff
Eff
83.4
83.483.4
83.4٪
Loss16.6
Loss16.6Loss16.6
Loss16.6٪
►RefO
2
Auto:001
Tf
TfTf
Tf
190.1C
190.1C190.1C
190.1C
Ta
Ta Ta
Ta
15.4C
15.4C15.4C
15.4C
T
TT
T
174.7C
174.7C174.7C
174.7C
►RefO
2
Auto:001
For each of the screens until now shown the display in 'O
2
ref erence mode' (RefO
2
is highlighted) can
be activated or deactivated by pressing the keys.
1
2
3
4
5
6
7
8

Table of Contents

Related product manuals