EasyManua.ls Logo

Ecom j2kn pro - Data Storage and Multimedia Card Usage

Ecom j2kn pro
44 pages
Print Icon
To Next Page IconTo Next Page
To Next Page IconTo Next Page
To Previous Page IconTo Previous Page
To Previous Page IconTo Previous Page
Loading...
Page 10
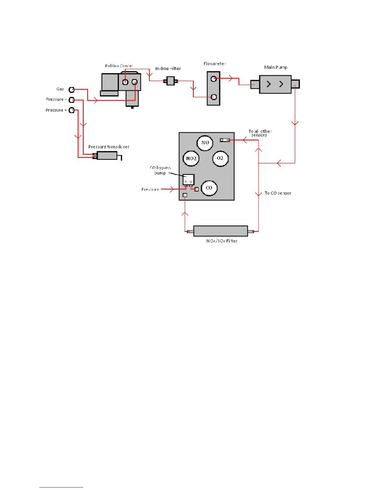
4. Gas Path Diagram
Response Time
After inserting the probe into the sample gas, there is a
short delay before correct measurement values are dis-
played. This is necessary for the gas to pass through the
sampling system and build up a stable electrochemical reac-
tion at the sensors. This is referred to as response time, and
it usually lasts between 60 and 90 seconds. Before printing
or recording emission results, wait approximately 2 minutes
until the values have stabilized. Minor drifting of a few ppm
can be due to unstable pressure conditions in the exhaust
channel and may be negligible.
Since the CO sensor has an independent gas path with
NOx/SOx filter (see diagram above), the response time will
be slightly longer for CO measurement values.

Other manuals for Ecom j2kn pro

Related product manuals