EasyManua.ls Logo

ECOWITT HP2553 - Console Display Overview

ECOWITT HP2553
91 pages
Print Icon
To Next Page IconTo Next Page
To Next Page IconTo Next Page
To Previous Page IconTo Previous Page
To Previous Page IconTo Previous Page
Loading...
26
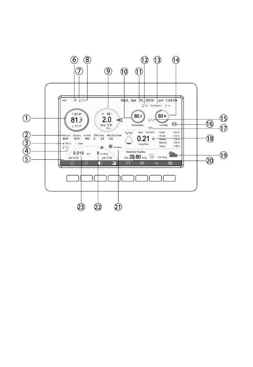
4.6 Console Display
See Figure 21 to help you identify elements of the console’s display screen.
Figure 21: Display Console Screen Layout

Table of Contents

Related product manuals