EasyManua.ls Logo

Egro ZERO - Page 48

Egro ZERO
55 pages
Print Icon
To Next Page IconTo Next Page
To Next Page IconTo Next Page
To Previous Page IconTo Previous Page
To Previous Page IconTo Previous Page
Loading...
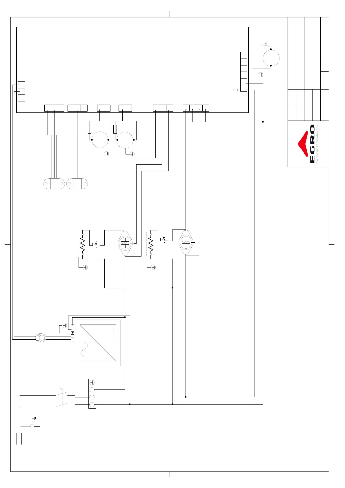
X1
Terminal block
S1
Main switch
15/12/14
All proprietary rights reserved by Rancilio Group S.p.A.
This drawing shall not be reproduced or in any way utilized for the
manufacture of the component or unit herein illustrated and must
not be released to other parties without written consent.
Any infringement will be legally pursued.
SHEET
1 of 1
SIZE
LAST ISSUE DATE
REV
A415/12/14NEW
DRAWING NAME
Electric diagram Power 120V
DWG STATUS
EMESSO
DWG NUMBER
PROJECT
Se_1416
ZERO
DRAFTER CHECKER
CTI DATE
U.T.U.T.
1
2
1
2
1
2
3
1
2
3
3
2
1
3
2
1
4
321
4
56
X2
Ground connection
GND
~ 120V
NLL
100 - 240 V
24 V
23 1
FE1
GND
GND
GND
GND
GND
GND
A1 A2
G
A1 A2
G
TR2
Triac steam boiler
M3
Right grinder
motor
-
+
M2
Left grinder
motor
-
+
+
-
OUT
+
-
OUT
S33
Encoder right grinder
S34
Encoder left girnder
M1
Pump
motor
~
V- NV+ L
T3
Power supply
N
L
N
L
F3
Fuse
F2
Fuse
F11
Termal fuse 150°C
F10
Termal fuse 130°C
F12
Thermal fuse
E1
Coffee boiler
heating element
E2
Steam boiler
heating element
TR1
Triac coffee boiler
F1
Line fuse
J22
PUMP AND POWER
J16
COFFEE BOILER
J3
STEAM BOILER
J16
RIGHT GRINDER
J20
LEFT GRINDER
J12
ENCODER RIGHT GRINDER
J11
ENCODER LEFT GRINDER
J33
24V POWER

Table of Contents

Other manuals for Egro ZERO

Related product manuals