EasyManua.ls Logo

EKOM DK50-10 - Page 217

EKOM DK50-10
276 pages
Print Icon
To Next Page IconTo Next Page
To Next Page IconTo Next Page
To Previous Page IconTo Previous Page
To Previous Page IconTo Previous Page
Loading...
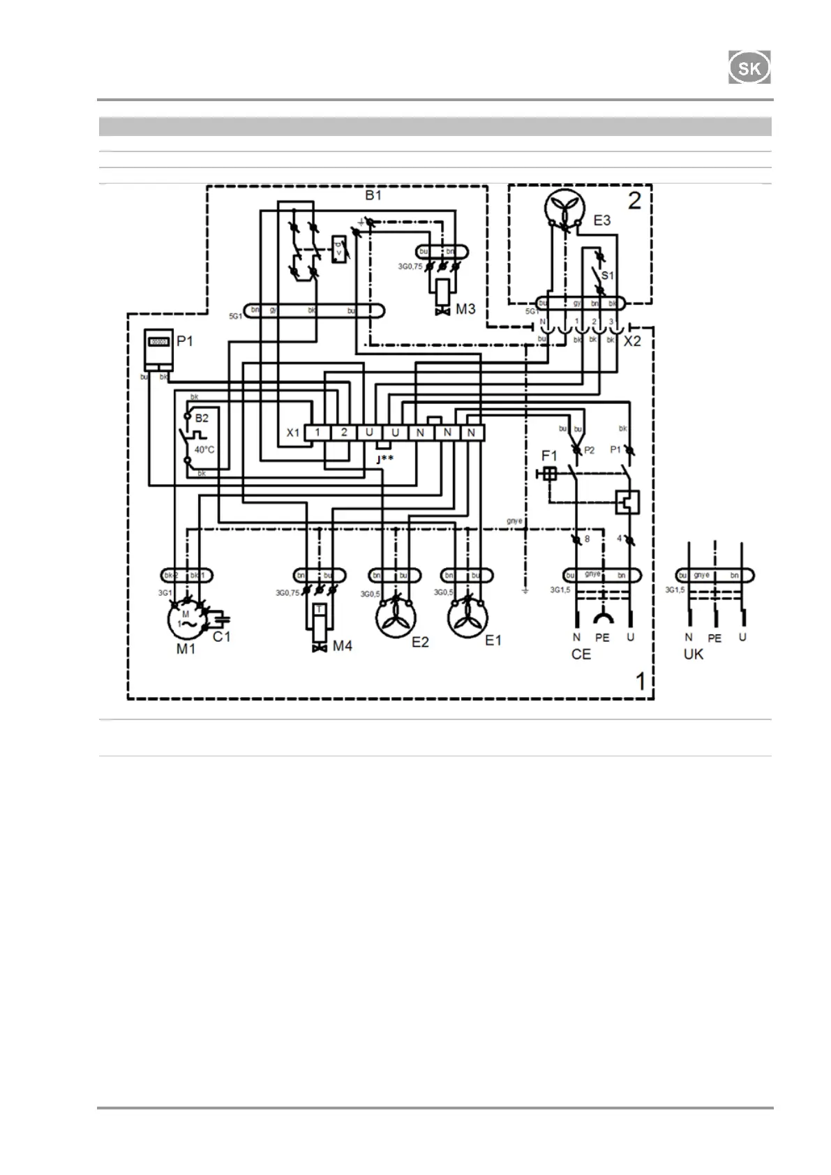
DK50-10
01/2022 - 217 - NP-DK50-10-16_01-2022-MD
DK50-10Z/M, DK50-10S/M
8 - 10 bar
1/N1PE 230 V, 50/60 Hz
115 V, 60 Hz
ELEKTRICKÝ PREDMET TR.1
J** - Mostík zapojiť iba pri kompresore bez skrinky
(Kap. 19.10)
1 Kompresor
2 Skrinka
P1*Počítadlo hodín montované len pre prevedenie 8-10bar

Table of Contents

Other manuals for EKOM DK50-10

Related product manuals