EasyManua.ls Logo

EKOM DK50-10 - Page 218

EKOM DK50-10
276 pages
Print Icon
To Next Page IconTo Next Page
To Next Page IconTo Next Page
To Previous Page IconTo Previous Page
To Previous Page IconTo Previous Page
Loading...
DK50-10
NP-DK50-10-16_01-2022-MD - 218 - 01/2022
Skrinka kompresora DK50-10S/M
8 10 bar
1/N/PE 230 V, 50/60 Hz
ELEKTRICKÝ PREDMET TR.1
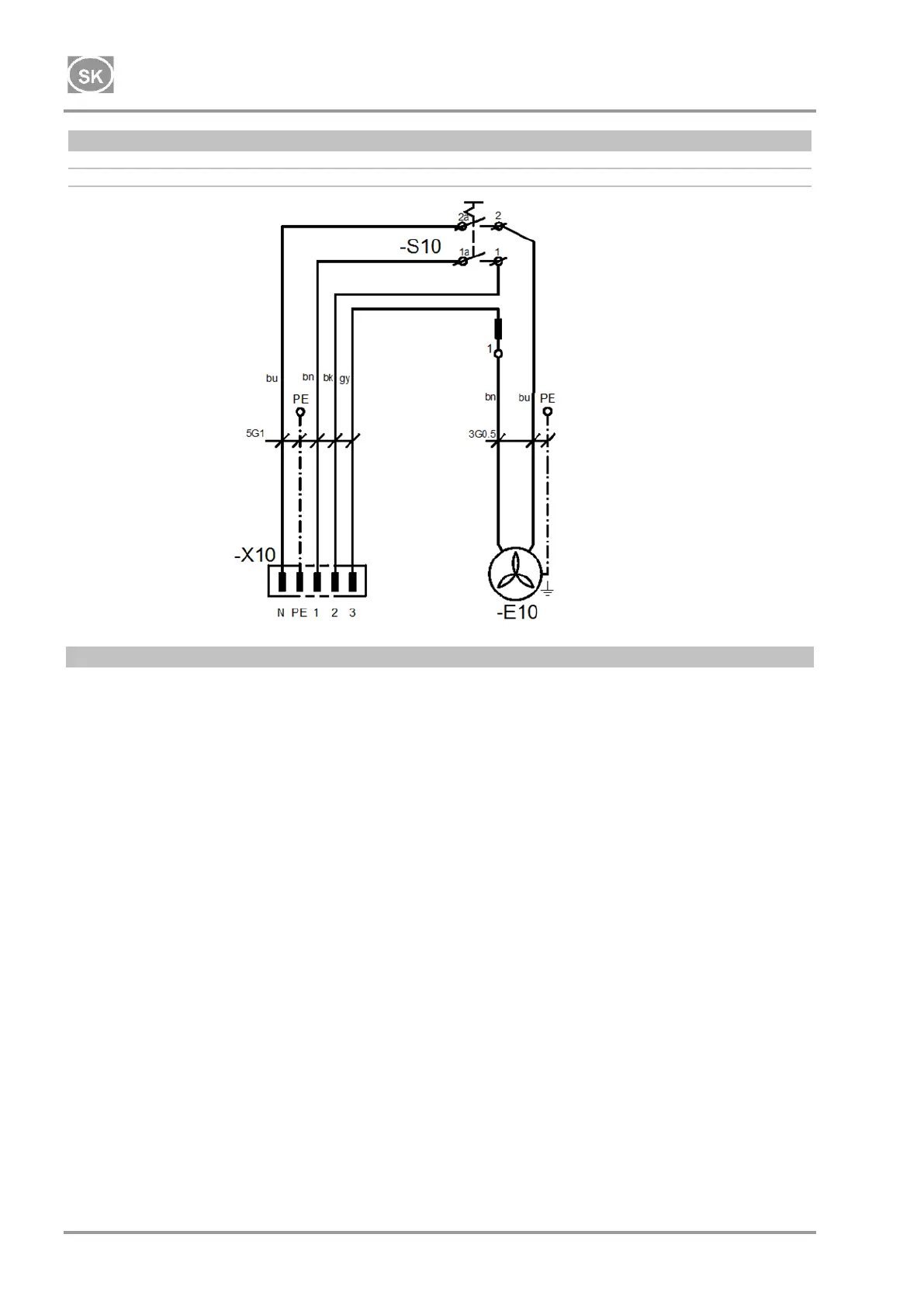
Popis k elektrickým schémam
M1
E1
E2
M3
B2
E3,E10
X10,X2
Motor kompresora
Ventilátor kompresora
Ventilátor sušiča
Odľahčovací ventil
Teplotný spínač
Ventilátor skrinky
Konektor
C1
B1
X1
F1
M4
P1
S10
Kondenzátor
Tlakový spínač
Svorkovnica
Istiaci vypínač
Ventil odvodu kondenzátu
Počítadlo hodín
Vypínač

Table of Contents

Other manuals for EKOM DK50-10

Related product manuals