EasyManua.ls Logo

EKOM DK50-10 - Page 27

EKOM DK50-10
276 pages
Print Icon
To Next Page IconTo Next Page
To Next Page IconTo Next Page
To Previous Page IconTo Previous Page
To Previous Page IconTo Previous Page
Loading...
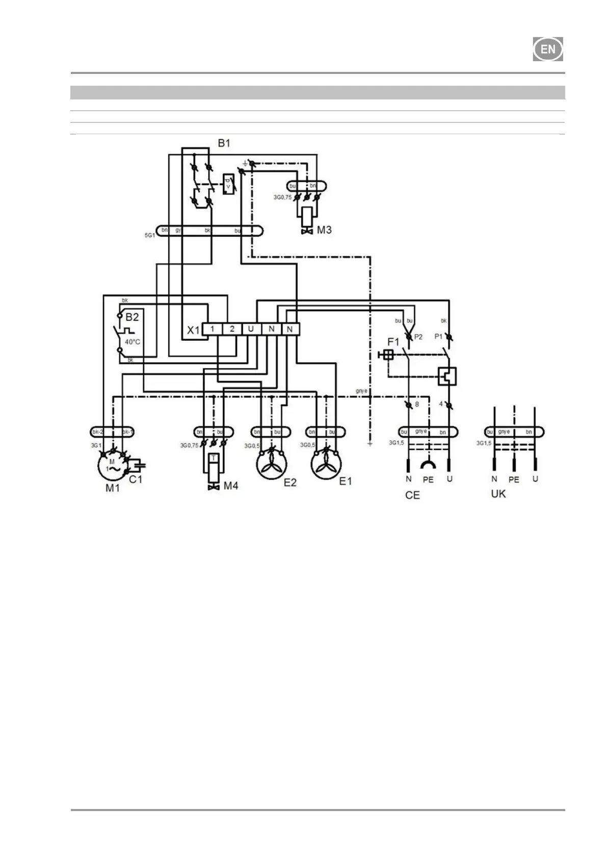
DK50-10
01/2022 - 27 - NP-DK50-10-16_01-2022-MD
DK50-10Z/M, DK50-10S/M
5 - 7 bar, 6 - 8 bar
1/N/PE 230V, 50/60Hz
115V, 60Hz
ELECTRIC OBJECT OF 1st. CAT

Table of Contents

Other manuals for EKOM DK50-10

Related product manuals