EasyManua.ls Logo

Electro-Craft MAX-430 - AC and DC Power Connections

Default Icon
60 pages
Print Icon
To Next Page IconTo Next Page
To Next Page IconTo Next Page
To Previous Page IconTo Previous Page
To Previous Page IconTo Previous Page
Loading...
2-4 Installation
P/N 0013-1025-001 Rev F
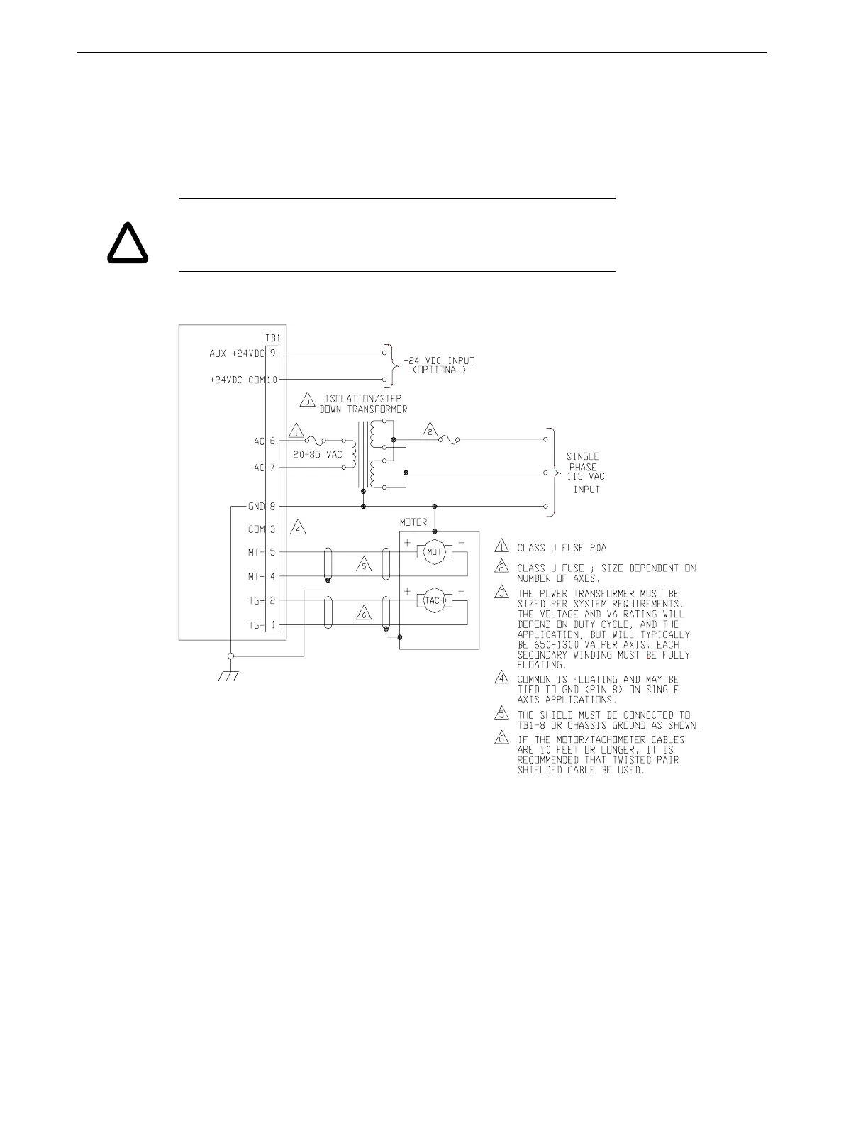
AC and DC Power Connections
AC input power to the MAX-430 must be supplied by an isolation transformer with an output
of 20-85 VAC. Refer to “Transformer Sizing” on page 2-3. Alternatively the MAX-430 may be
supplied with 30-120 VDC.
The grounding connection for AC and DC power, chassis and motor must be connected as shown
in the following wiring diagrams.
Intro
!
CAUTION
All TB1 terminals must be tightened to 9 lb-in. All wiring must be a minimum of
60
°
C insulation rating.
Intro
F
IGURE
2.2
115 VAC Input Power/Motor Wiring

Table of Contents

Related product manuals