EasyManua.ls Logo

Electro-Craft MAX-430 - Reference Drawings

Default Icon
60 pages
Print Icon
To Next Page IconTo Next Page
To Next Page IconTo Next Page
To Previous Page IconTo Previous Page
To Previous Page IconTo Previous Page
Loading...
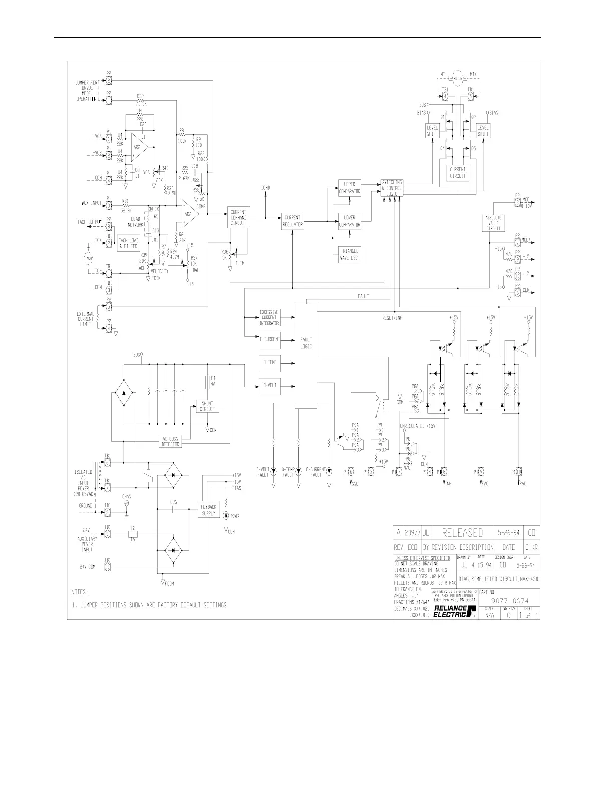
7-2 Reference Drawings
P/N 0013-1025-001 Rev F
Intro
F
IGURE
7.2
Simplified Circuit Diagram

Table of Contents

Related product manuals