EasyManua.ls Logo

Electro-Craft MAX-430 - SSO - Normally Closed Relay with Internal Power; SSO - Normally Closed Relay Using External Power with FAULT Condition = Logic Level 1; SSO - Normally Closed Relay Using External Power with Drive READY = Logic Level 1

Default Icon
60 pages
Print Icon
To Next Page IconTo Next Page
To Next Page IconTo Next Page
To Previous Page IconTo Previous Page
To Previous Page IconTo Previous Page
Loading...
2-14 Installation
P/N 0013-1025-001 Rev F
Intro
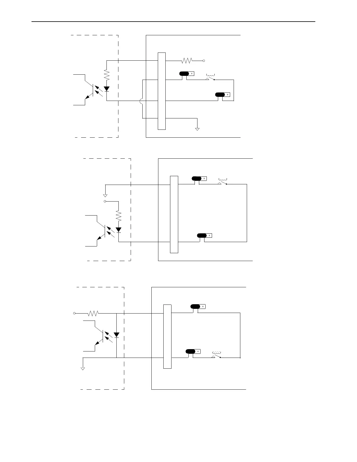
F
IGURE
2.14
SSO - Normally Closed Relay with Internal Power
Intro
F
IGURE
2.15
SSO - Normally Closed Relay using External Power
with FAULT Condition = Logic Level “1”
Intro
F
IGURE
2.16
SSO - Normally Closed Relay using External Power
with Drive READY = Logic Level “1”
+15VDC
MAX-430 SERVO DRIVE
7
6
ON = OK
CUSTOMER
+15 VDC
CONTROLLER
4
P1
SSO+
+15VDC COM
5
FAULT = Open Relay
1 2 3
P9A
1 2 3
P9
MAX-430 SERVO DRIVE
6
ON = OK
CUSTOMER
SSO-
CONTROLLER
5
P1
SSO+
FAULT = Open Relay
+(22-28) VDC COM
+(22-28) VDC
1 2 3
P9A
1 2 3
P9
MAX-430 SERVO DRIVE
5
ON = FAULT
CUSTOMER
SSO+
CONTROLLER
6
P1
SSO-
FAULT = Open Relay
+(22-28) VDC COM
+(22-28) VDC
1 2 3
P9A
1 2 3
P9

Table of Contents

Related product manuals