EasyManua.ls Logo

Electro-Craft MAX-430 - Pictorial Index Intro-8; Pictorial Index

Default Icon
60 pages
Print Icon
To Next Page IconTo Next Page
To Next Page IconTo Next Page
To Previous Page IconTo Previous Page
To Previous Page IconTo Previous Page
Loading...
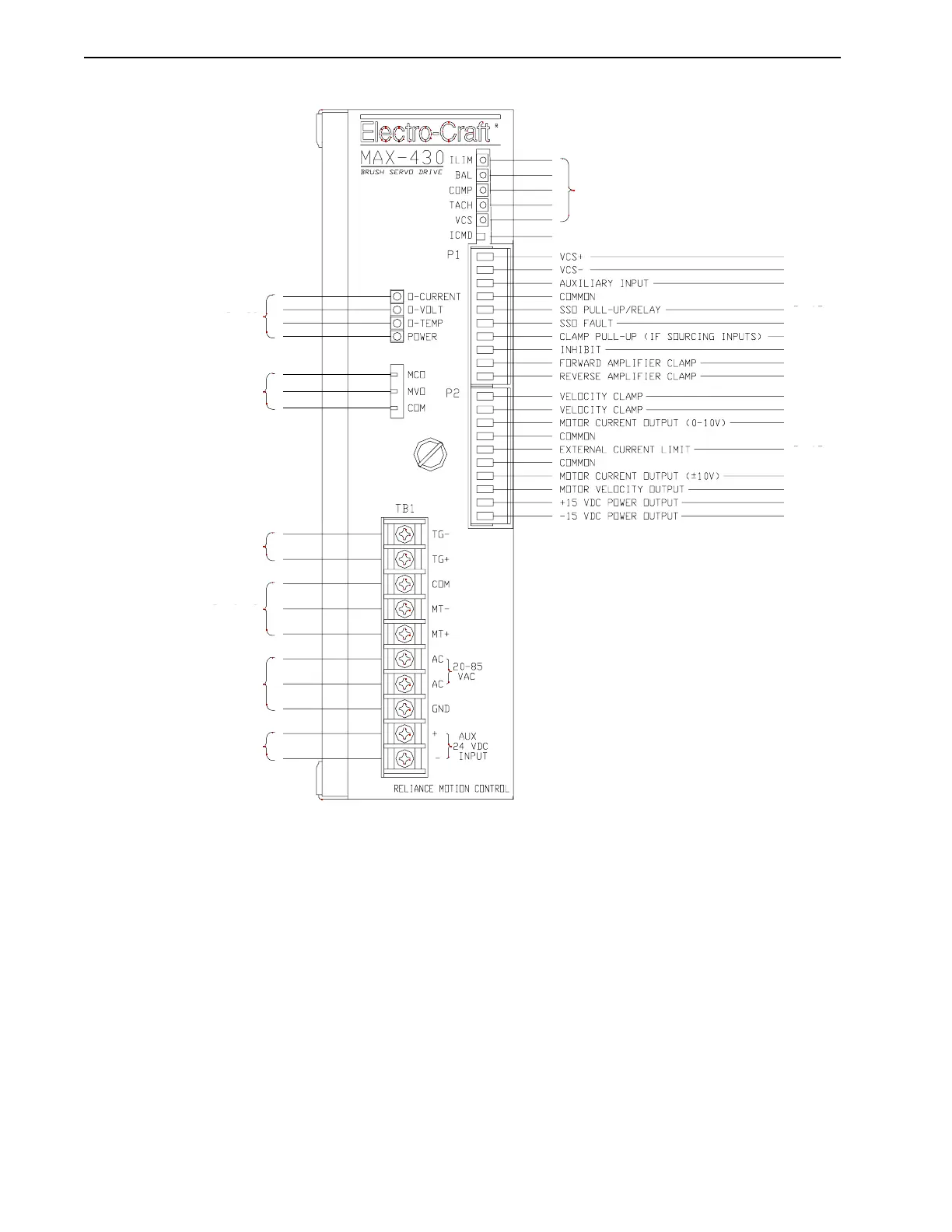
Intro-8 Pictorial Index
P/N 0013-1025-001 Rev F
IntroPictorial Index
Intro
Pictorial Index
page 4-4
page 4-5
page 2-4,
page 2-8
page 2-4,
page 2-8
page 2-4,
page 2-8
page 2-4,
page 2-8
page 3-3
page 4-5
page 2-10
page 2-10
page 2-10
page 2-13
page 2-13
page 2-12
page 2-10
page 2-10
page 2-10
page 2-12
page 2-12
page 2-15
page 2-15
page 2-15
page 2-15
page 2-15
page 2-12

Table of Contents

Related product manuals