EasyManua.ls Logo

Electrolux EFMG417SIW - Wiring Diagram - EFMG617 SIW; EFMG517 SIW; EFMG417 SIW

Electrolux EFMG417SIW
57 pages
Print Icon
To Next Page IconTo Next Page
To Next Page IconTo Next Page
To Previous Page IconTo Previous Page
To Previous Page IconTo Previous Page
Loading...
16
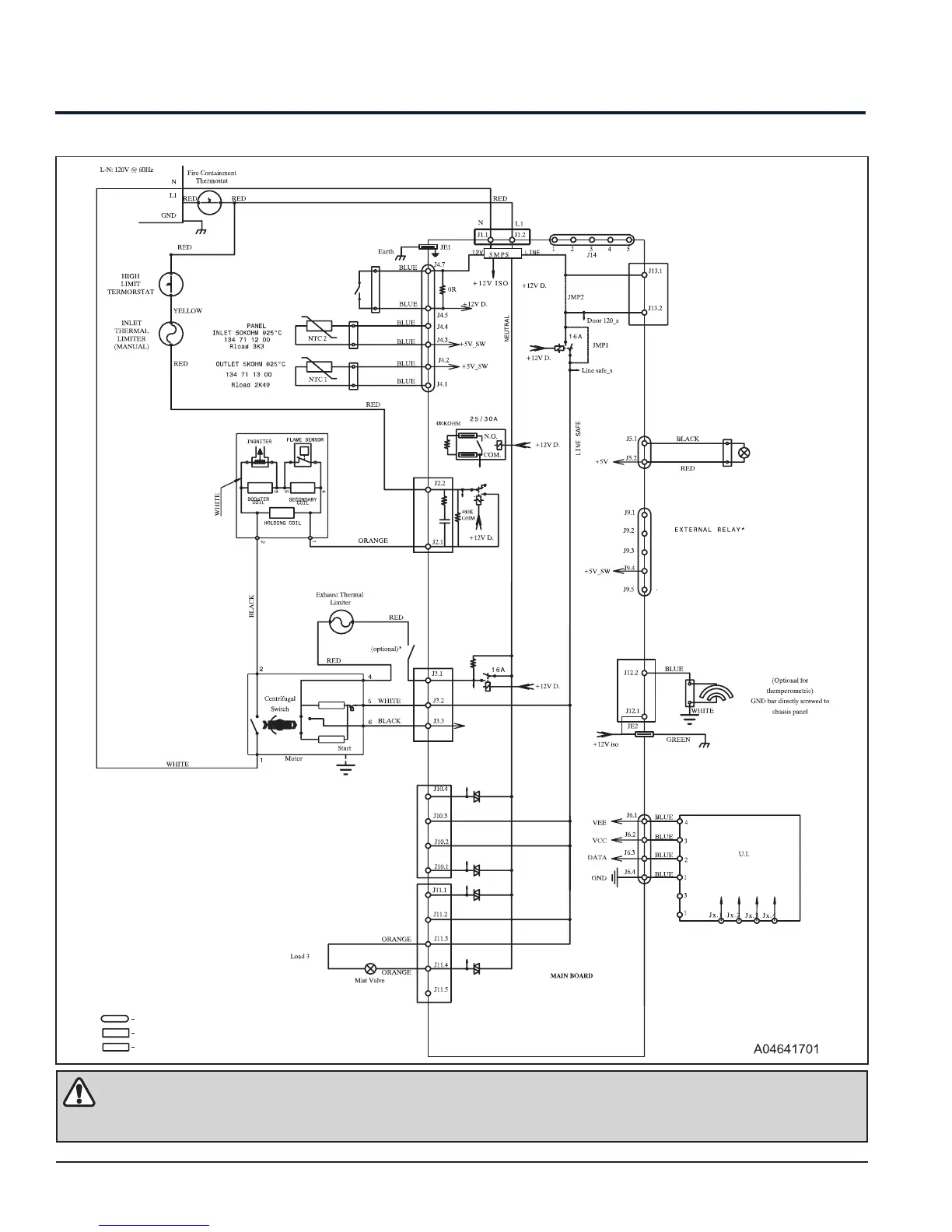
6.4 Wiring Diagram – EFMG617SIW / EFMG517SIW / EFMG417SIW
Door Safety
Interlock (12V)
REAR
Heater Sensing
Belt Control
Start Sensing
TRIAC 1A
TRIAC 1A
TRIAC 1A
TRIAC 1A
Edge Connector Pitch 2, 5 mm
Edge Connector Pitch 5 mm
Tab Header Connector
Edge Connector Pitch 2, 5 mm
Edge Connector Pitch 5 mm
Tab Header Connector
LED Drum Light
Humidity Sensor
CAUTION
Disconnect electric current before servicing.
Electrical Characteristics (For Models 617, 517 and 417 Series)

Table of Contents

Other manuals for Electrolux EFMG417SIW

Related product manuals