EasyManua.ls Logo

Elmo GS-800 - Block Diagram

Elmo GS-800
56 pages
Print Icon
To Next Page IconTo Next Page
To Next Page IconTo Next Page
To Previous Page IconTo Previous Page
To Previous Page IconTo Previous Page
Loading...
Block diagram
52
~
~
~!A
l>
J'
ZO
,p
,
-u
L
__
_
':i
__
~
(J)
-u
[-
~
--I
I
I
I
I
I
I
I
L
____
_
~
"
~:
s:
l>
o C
z x
o
c
-<
l>
C
X
Z
CONTENTS
NOMENCLATURE
..
...
.....
..
. . .
..
.
..
. . .
..
. .
..
. .
.........
2
INTRODUCTION
. . . . . . . . . . . . . .
..
4
PROJECTION
I mage
adjustment
Projection
6
8
Reverse
projection.
Rewinding
the
film
.
....
..
.
·13
Reproducing
sound
through
a stereo set.
Using
extension
speakers
(option)
for
full
stereo
effect
projection
.
..
Effective
playback
of
2-track
sound
film
using
one
extension
speaker
..
Public
address .
R
emoving
the
film
from
the
film
path
....
..
.
..
. .
....
. .
RECORDING
'14
·
·15
. .
·16
·
·16
·17
'18
Recoding
procedure.
. . . . . . . . . . . . . .
.20
Spot
recording
..........
.
..
. .
.....
.
..
.
....
...
. .
... ...
26
Stereo
recording.
Monaural
recording.
Adding
sound
to
simultaneously
recorded
film.
Track
to
track
sound
transfer
....
·27
.
.....
..
. .
...
·27
·
·28
·
·28
Double
(sound
on
sound)
recording
/ Fade
recording.
· ·31
Sound
transfer
from
simultaneously
recorded stereo tape
to
sound
tracks
..
Microphone.
MAINTENANCE
AND CHECK
Cleaning
Replacing
projection
lamp
. .
Voltage
selection .
Changing
projection
lens
Storing.
Trouble-shooting
hints
..
_
...
..
.
Accessories
....
.
Accessory cords . .
Cord
connection
...............
...
. . . . .
Projection
distance and image size
Projection
time
and
film
le
ngth
·35
36
·
·3
8
·39
·40
·
·41
·
·41
·
·42
' 43
·
·46
. . . . . . . . . . . . . . . . .
·47
. . . . . . . . .
..
'48
.
'49
·5
0
Specifications.
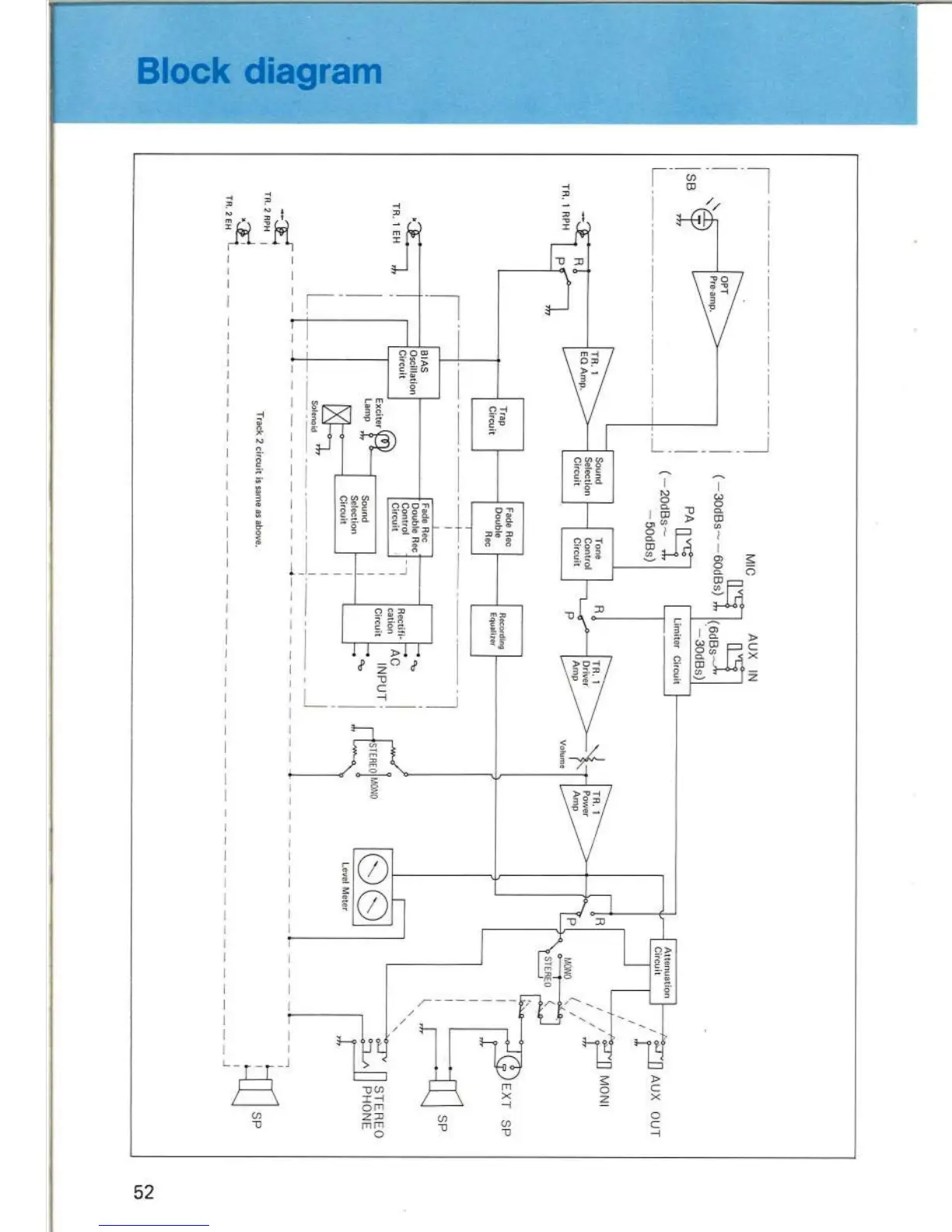
Block
diagram.
.
.... ....
..
.....
. . . .
...
..
. .
..
·5
2

Related product manuals