EasyManua.ls Logo

Emerson Quantum MP - Page 97

Emerson Quantum MP
175 pages
Print Icon
To Next Page IconTo Next Page
To Next Page IconTo Next Page
To Previous Page IconTo Previous Page
To Previous Page IconTo Previous Page
Loading...
Safety
Information
Product
Information
Mechanical
Installation
Electrical
Installation
Getting
Started
Basic
parameters
Running the
Motor
Optimization
SMARTCARD
Operation
Onboard
PLC
Advanced
Parameters
Technical
Data
Diagnostics
UL
Information
Quantum MP User Guide 97
Issue: A4 www.emersonct.com
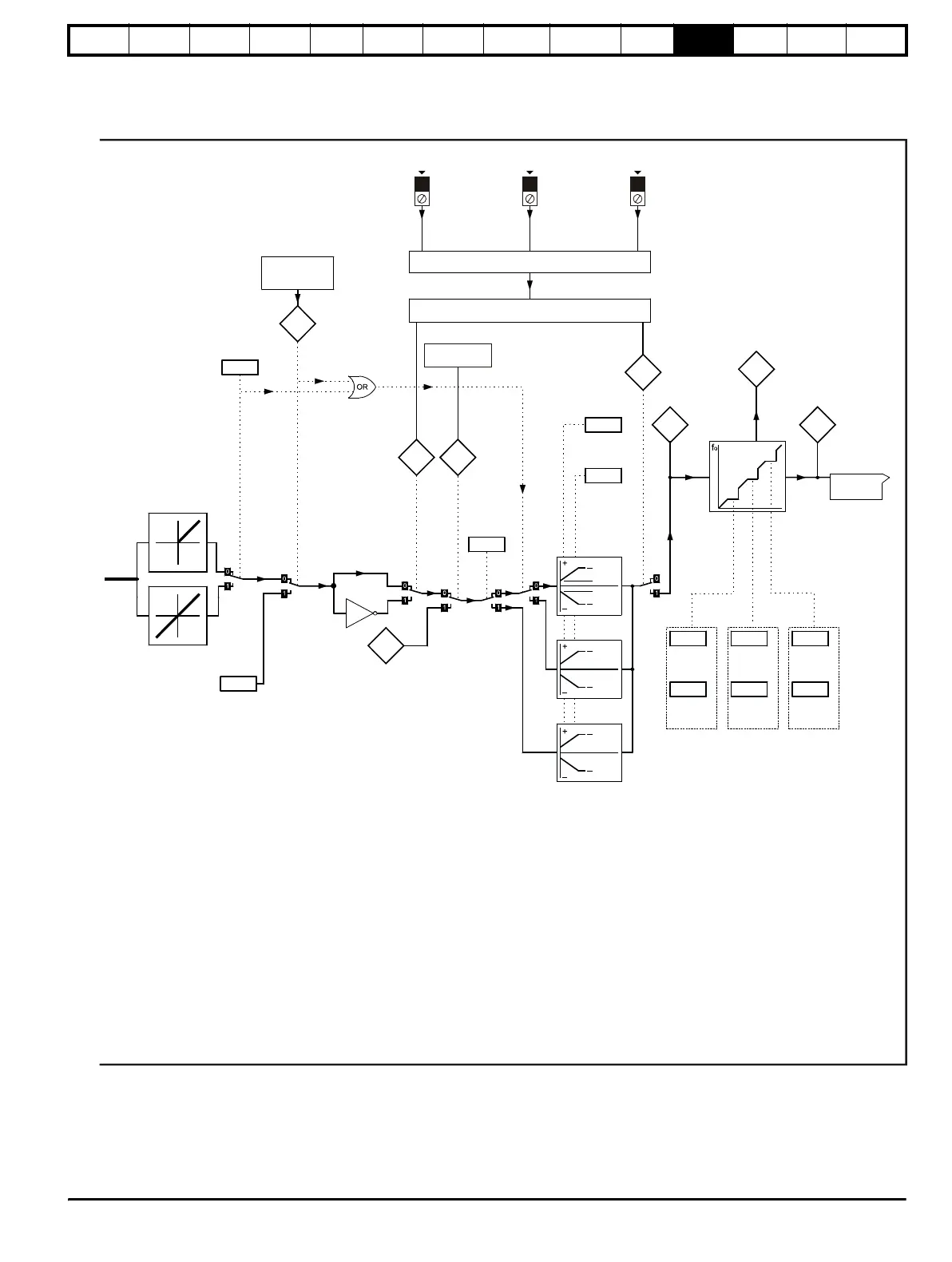
*Refer to Pr 1.14 (SE05, 0.26)
Jog
reference
Bipolar
reference
select
Jog selected
indicator
Menu 6
Sequencer
1.10
1.05
1.13
Pre-filter
reference
Pre-ramp
reference
Maximum
speed
"clamp"
Minimum
speed
"clamp"
(Maximum
reverse
speed)
Negative
minimum
speed
select
Reference
enabled
indicator
Reverse
selected
indicator
Skip
speed 1
Reference in skip
speed band
indicator
Velocity
feed-forward
reference
Feed-forward
selected
indicator
1.12
x(-1)
1.39
1.40
1.08
[1.06]
[1.07]
[1.07]
[1.06]
[1.06]
[1.06]
[1.06]
[1.07]
1.06
1.07
1.11
Sequencer (Menu 6)
1.02 1.03
Menu 2
Skip
speed 2
Skip
speed 3
Skip
speed band
1
Skip
speed band
2
Skip
speed band
3
1.29
1.30
1.31
1.32
1.33
1.34
1.35
Menu 17
JOG RUN FORWARD FORWARD / REVERSE
Menu 13
Position control
C10 C8 C12

Table of Contents

Related product manuals